EasyManua.ls Logo

Marantz CDA-94 - Block Diagram

Marantz CDA-94
20 pages
Print Icon
To Next Page IconTo Next Page
To Next Page IconTo Next Page
To Previous Page IconTo Previous Page
To Previous Page IconTo Previous Page
Loading...
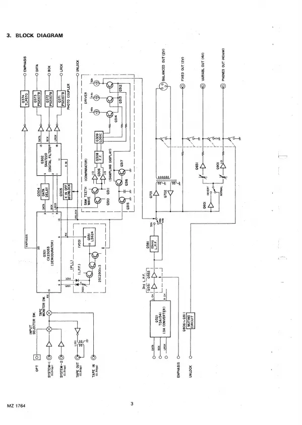
BLOCK
DIAGRAM
3.
[
L
(MWOb)
LNO
S3NCHd
(G}—
|
LUSANI
(Av)
LNO
TaVIdVA
A
|
j
|
A
1g9d
(AZ)
LNO
Gaxld
i
OQ
(Aé).LnO
QaoNvIve
eo)
Le
a
ae
|
z1gd
ago
CY
eS
CY
eka
ae
|
|
PD
OG
@
(AVTESIG
ONTIAWVYS)
106
icp
|
asi
<
|
He
3
a
z
2
60£0
goed
Ay
CD
©
&
&
aA
oy
|
aAvm
|
|
|
agaiua
(youvevdNOO)
—HL3RL
MVS
|
NIOINN
O-
YAIdNOD
OLOHd
al00esd
498
O
21e0
a
a:
a
q
ViVd
wivao
@L002Sd
20D
Viva
viva
Linowlo
ONILAW
MOOINN
MIOWWN
ID
Dozsd
3d0
NIX
ad
wow
O
1Z4¢0
It
o<
bea]
t
7
1:
O2eZVVS
eel
z
1180~9080
SISVHAN3
etl
ee
=
(MFLYBANOD
va)
‘a
~T
IpSIWaL
\
12g0
|
[HOT
Lesso_
Isco
|
‘Jal
pig
€X106Z9SZ
|
|
{ddag‘o)
29S
())
Ni
adVL
ised
|
8
|
:
(ODA)
iia
be
(ddago)
>
se
)
LNO
3d¥L
5
4
(©)
Z~WALSAS
(doLvunaowad)
a
J
(ddag‘o)
EG0EZXO
sth
Q)—{K%)}-—<}
©)
!-waisis
10g
"MS
YOLINOW
oy
AdVL
,
[5]
140
“MS
YOLOTTaS
iLfdN1
SISVHANS
OLSd
LL
SISVHdW3
LEO
MZ
1764

Related product manuals