EasyManua.ls Logo

Marantz DV7000 - Page 48

Marantz DV7000
59 pages
Print Icon
To Next Page IconTo Next Page
To Next Page IconTo Next Page
To Previous Page IconTo Previous Page
To Previous Page IconTo Previous Page
Loading...
2-20
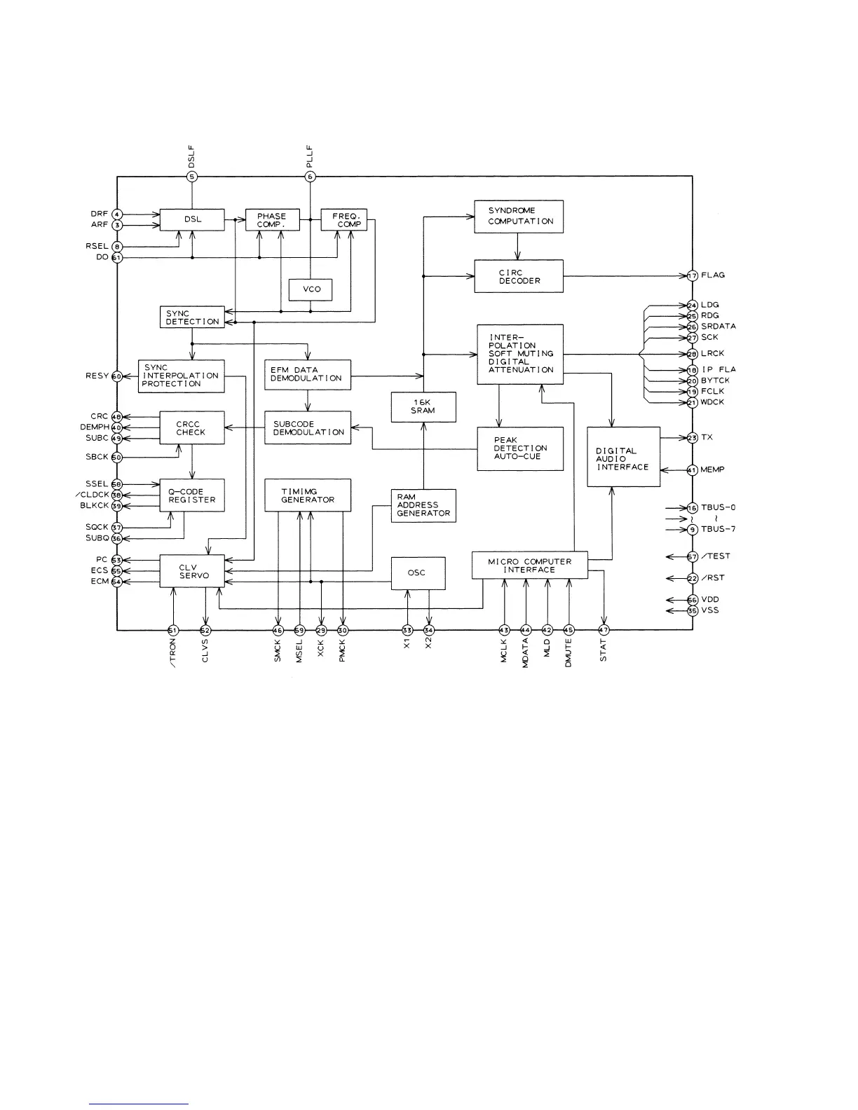
MN66261 (CD signal processing)

Related product manuals