EasyManua.ls Logo

Marantz DV7010 - Page 60

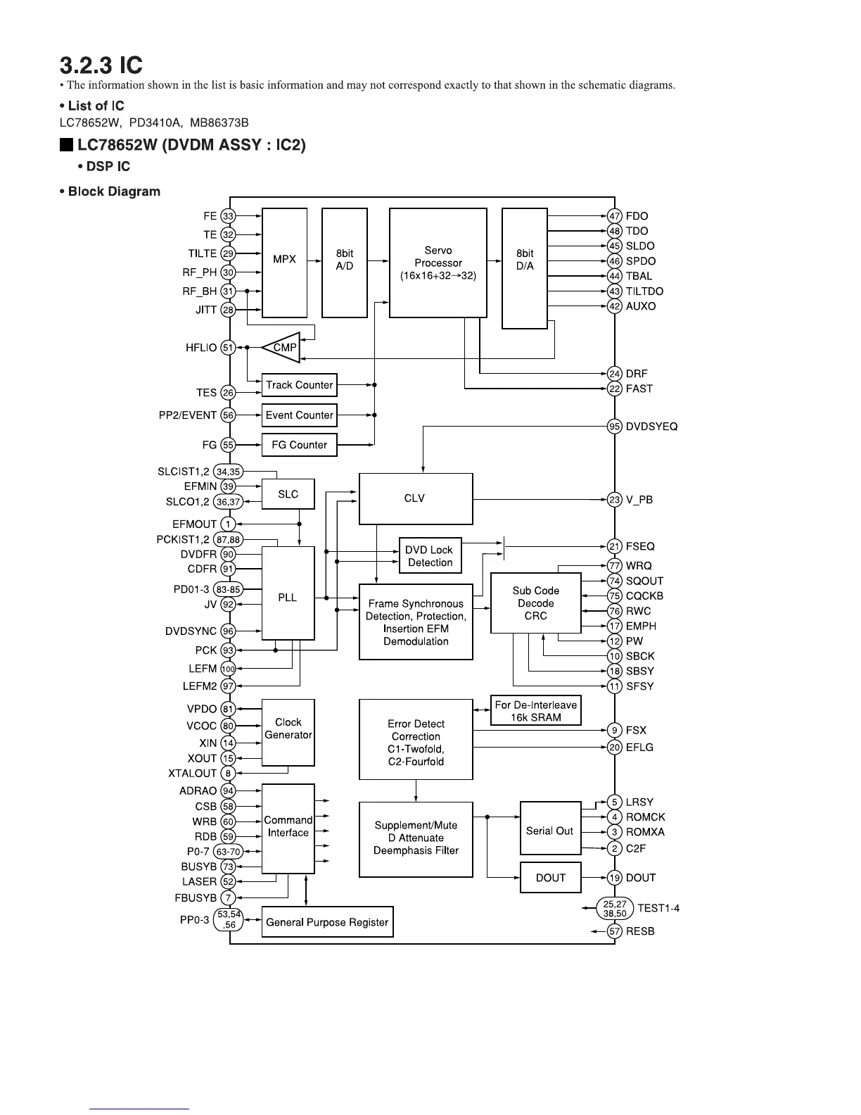
Marantz DV7010
73 pages
Print Icon
To Next Page IconTo Next Page
To Next Page IconTo Next Page
To Previous Page IconTo Previous Page
To Previous Page IconTo Previous Page
Loading...
3-13

Other manuals for Marantz DV7010

Related product manuals