EasyManua.ls Logo

Marantz DV7600 - Page 18

Marantz DV7600
73 pages
Print Icon
To Next Page IconTo Next Page
To Next Page IconTo Next Page
To Previous Page IconTo Previous Page
To Previous Page IconTo Previous Page
Loading...
19 20
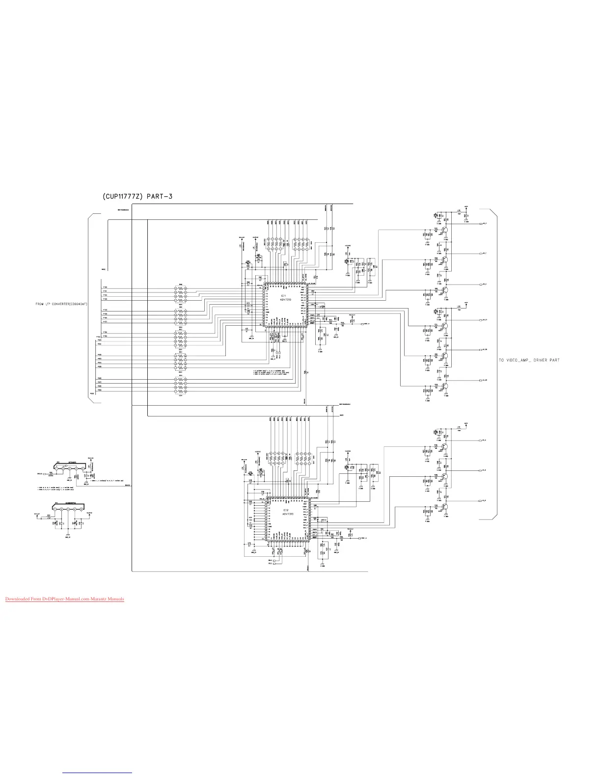
MAIN PWB
VIDEO
ENCODER
(RGB)
VIDEO
ENCODER
Downloaded From DvDPlayer-Manual.com Marantz Manuals

Other manuals for Marantz DV7600

Related product manuals