EasyManua.ls Logo

Marantz SC-7S2 - Page 54

Marantz SC-7S2
81 pages
Print Icon
To Next Page IconTo Next Page
To Next Page IconTo Next Page
To Previous Page IconTo Previous Page
To Previous Page IconTo Previous Page
Loading...
6261
鉛フリー半田
鉛フリー半田
半田付けには、鉛フリー半田
(Sn-Ag-Cu)
を使用してください。
Lead-free Solder
When soldering, use the Lead-free Solder (Sn-Ag-Cu).
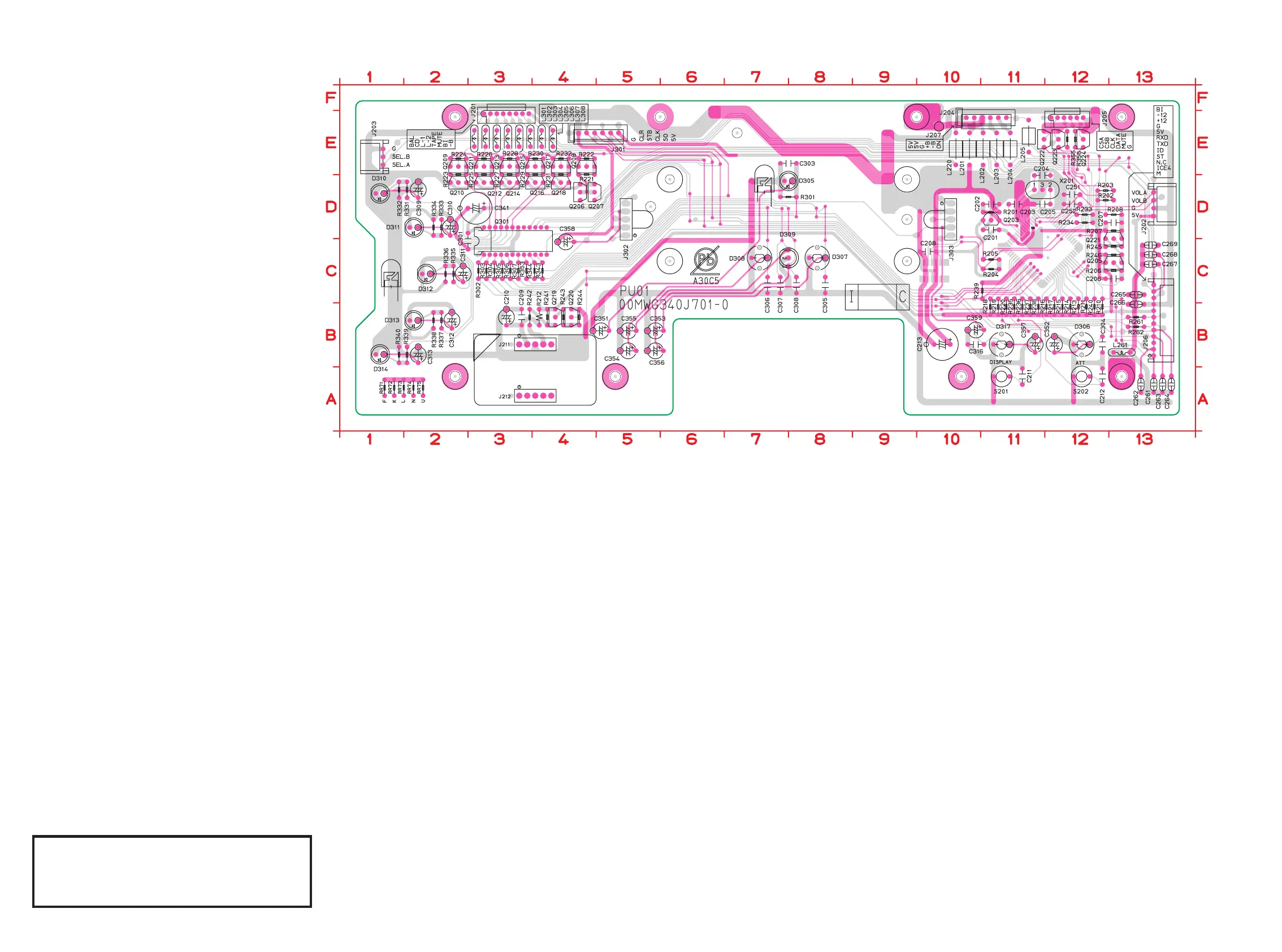
PU01 PWB A
C201 D11
C202 D11
C203 D11
C204 D11
C205 D11
C206 C12
C207 D12
C208 C10
C209 B3
C210 B3
C211 A11
C212 A12
C213 B10
C251 D12
C252 D12
C261 A13
C262 A13
C263 A13
C264 A13
C265 C13
C266 B13
C267 C13
C268 C13
C269 C13
C301 C3
C303 E7
C304 B12
C305 C8
C306 C7
C307 C7
C308 C8
C309 D2
C310 D2
C311 C2
C312 B2
C313 B2
C316 B10
C341 D3
C351 B5
C352 B12
C353 B6
C354 B5
C355 B5
C356 B6
C357 B11
C358 C4
C359 B11
D305 D8
D306 B12
D307 C8
D308 C7
D309 C8
D310 D1
D311 D2
D312 C2
D313 B2
D314 B1
D317 B11
J201 E3
J202 D13
J203 E1
J204 E10
J205 E12
J206 B13
J207 E10
J211 B3
J212 A3
J301 E4
J302 D5
J303 D10
L201 E10
L202 E11
L203 E11
L204 E11
L205 E11
L220 E10
L261 B13
L301 E3
L302 E3
L303 E3
L304 E3
L305 E3
L306 E3
L307 E4
L308 E4
Q201 C11
Q203 D11
Q205 C13
Q206 D4
Q207 D4
Q208 E4
Q209 E2
Q210 D2
Q211 E3
Q212 D3
Q213 E3
Q214 D3
Q215 E4
Q216 D4
Q217 E4
Q218 D4
Q219 B4
Q220 B4
Q221 D13
Q222 E11
Q223 E12
Q224 E12
Q301 C3
R201 D11
R202 D12
R203 D12
R204 C11
R205 C11
R206 C12
R207 D12
R208 D12
R210 B12
R211 B12
R212 B4
R213 B12
R214 B12
R215 B12
R216 B12
R217 B12
R218 B11
R219 B11
R220 B11
R221 E4
R222 E4
R223 E2
R224 E2
R225 E3
R226 E3
R227 E3
R228 E3
R229 E3
R230 E3
R231 E4
R232 E4
R233 D12
R234 D12
R235 B11
R236 B11
R237 B11
R238 B11
R239 C11
R240 B12
R241 B4
R242 B3
R243 B4
R244 B4
R245 C12
R246 C12
R261 B13
R262 B13
R301 D7
R302 C3
R303 C3
R304 C3
R305 C3
R306 C3
R307 C3
R331 D2
R332 D1
R333 D2
R334 D2
R335 C2
R336 C2
R337 B2
R338 B2
R339 B2
R340 B1
R343 C4
R344 C4
R353 C3
R355 E12
R356 E12
RR71 A1
RR72 A1
RR73 A2
RR74 A2
RR75 A2
S201 A11
S202 A12
X201 D11

Other manuals for Marantz SC-7S2

Related product manuals