EasyManua.ls Logo

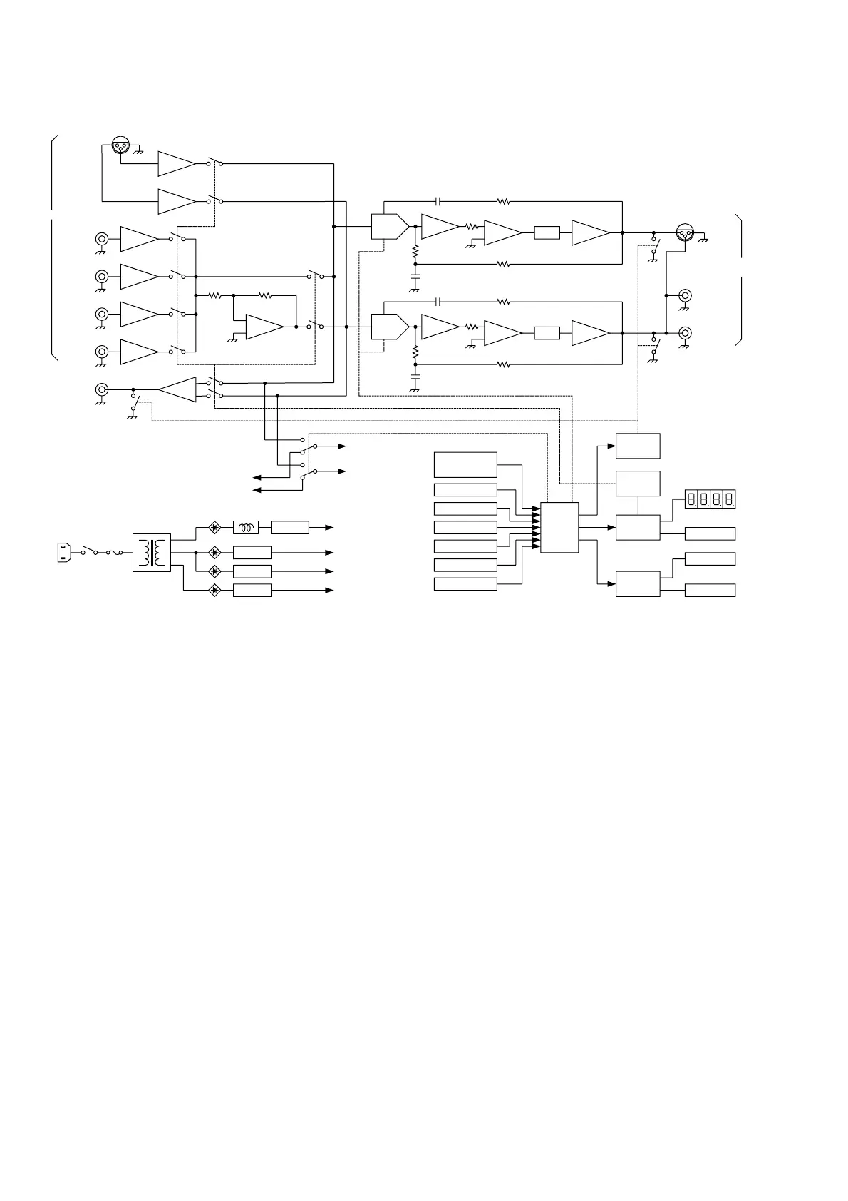
Marantz SC-7S2 - BLOCK DIAGRAM

Marantz SC-7S2
81 pages
Print Icon
To Next Page IconTo Next Page
To Next Page IconTo Next Page
To Previous Page IconTo Previous Page
To Previous Page IconTo Previous Page
Loading...
42
12
3
BALANCED
CD
LINE-1
LINE-2
RECORDER
RECOUT
12
3
BALANCED
UNBALANCED-1
UNBALANCED-2
AchINPUT
±22V
+5V
±12V
AMP
RELAY
LEDDISPLAY
F.C.B.S.
DISPLAY
DRIVER
IN
OUT
VOLUME
DISPLAYSW
ATTSW
IR
IDSW
I/V
VOL
I/V
VOL
+5V
VOL.
-
+
+
-
+
-
+
-
μ-COM.
INPUT
SELECTOR
MODESW
μ-COM.
MUTE
DRIVER
RELAY
DRIVER
AchPREOUT
BchINPUT
BchVOL
5. BLOCK DIAGRAM

Other manuals for Marantz SC-7S2

Related product manuals