EasyManua.ls Logo

Marantz SD530 - Mechanism Control Circuits

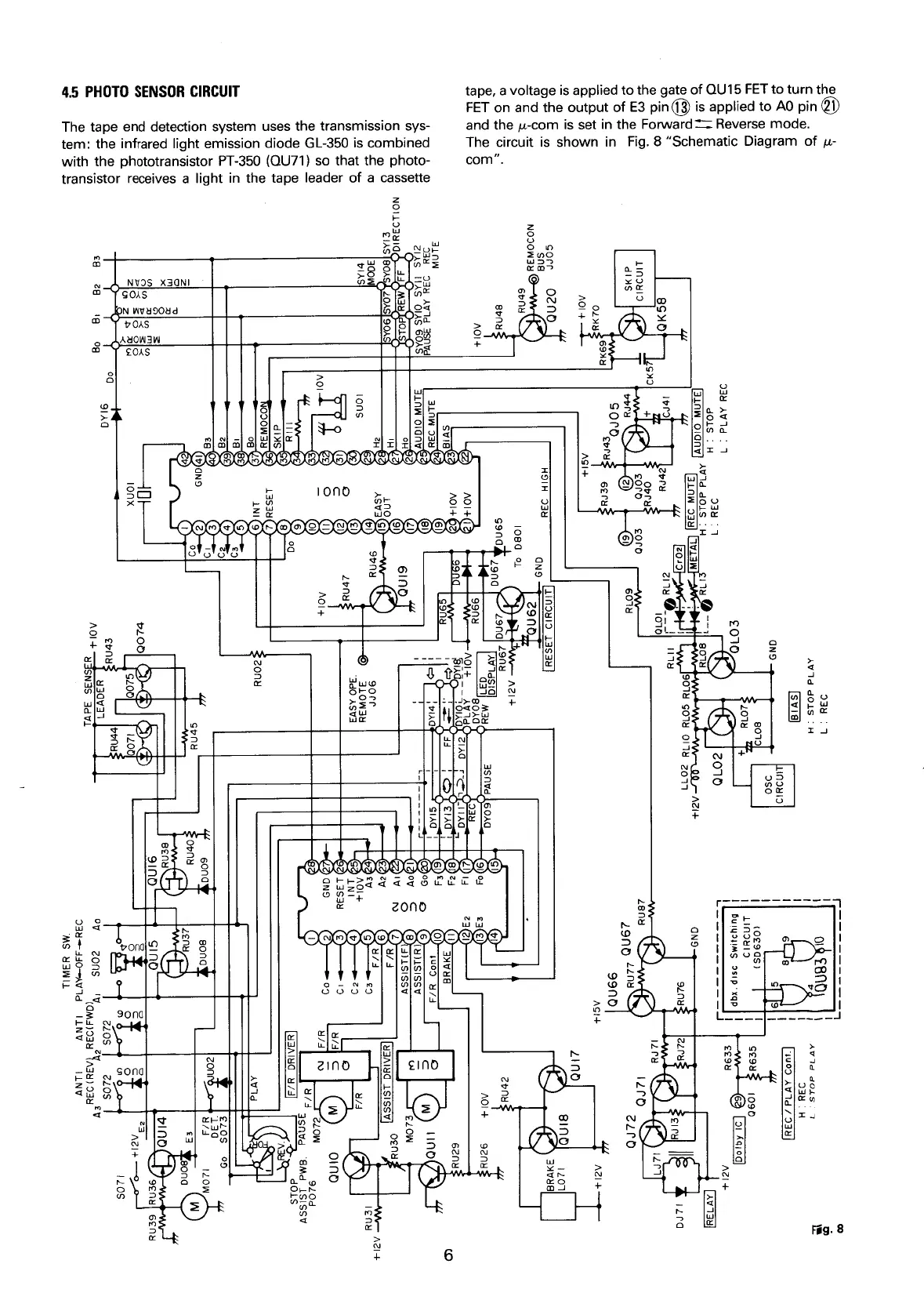
Marantz SD530
48 pages
Print Icon
To Next Page IconTo Next Page
To Next Page IconTo Next Page
To Previous Page IconTo Previous Page
To Previous Page IconTo Previous Page
Loading...
www.hifiengine.com

Related product manuals