EasyManua.ls Logo

Marantz SD630 - Page 9

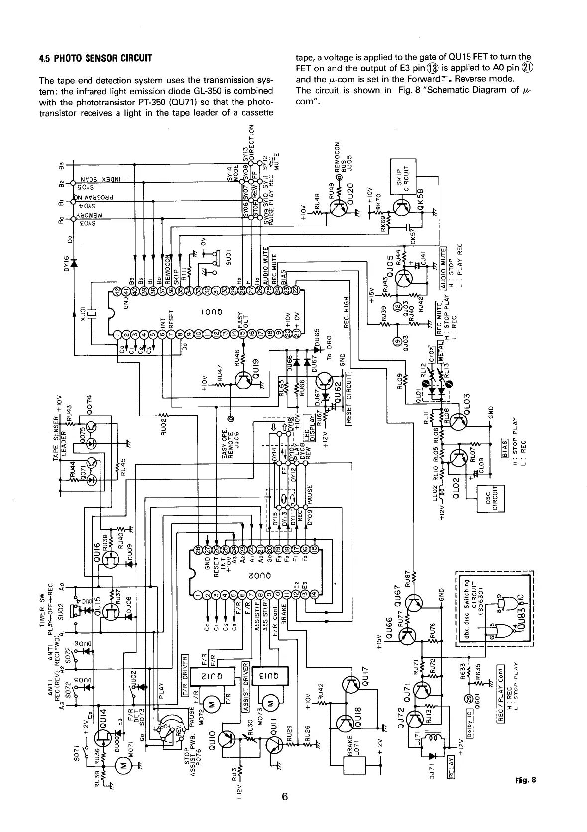
Marantz SD630
48 pages
Print Icon
To Next Page IconTo Next Page
To Next Page IconTo Next Page
To Previous Page IconTo Previous Page
To Previous Page IconTo Previous Page
Loading...
www.hifiengine.com

Related product manuals