EasyManua.ls Logo

Marantz SM-8 - Page 24

Marantz SM-8
25 pages
Print Icon
To Next Page IconTo Next Page
To Next Page IconTo Next Page
To Previous Page IconTo Previous Page
To Previous Page IconTo Previous Page
Loading...
&22.0v)
|
82k
-on\g|3|
|8]
0%
C)
eo}
[R657
3
oO
62k
r
2
SYSTEM!
24
SYSTEM
2
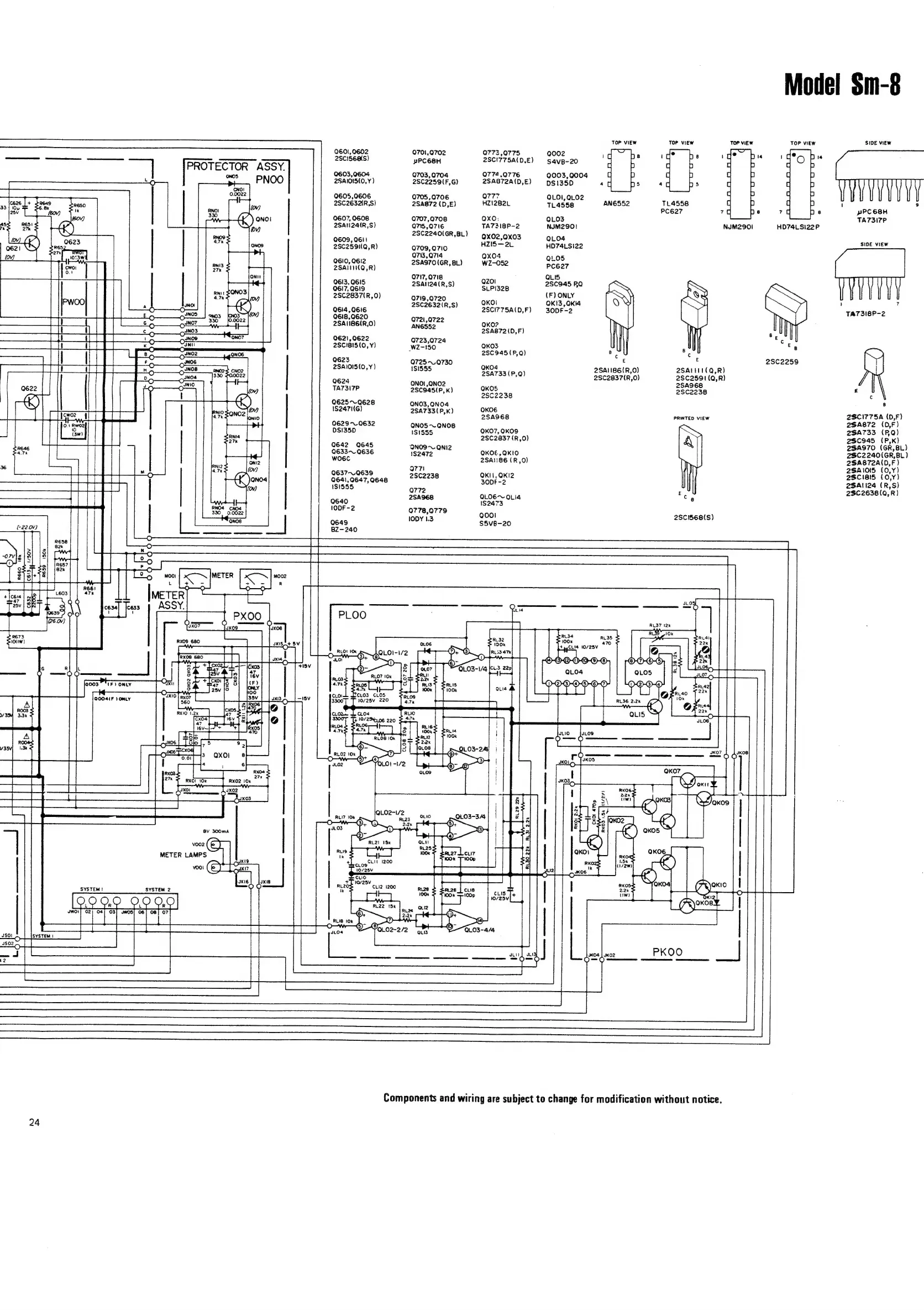
Q60!,0602
2Sc156eaS)
PROTECTOR
ASSY.
Q603,Q604
2SA1015(0,Y)
Q605,0606
2SC26321R,S)
0607,
0608
2SAl24(R,S)
Q609,
061!
2SC2591Q,R)
Q610,
0612
2SAi11(0,R)
Q6I3,
Q6I5
Q617,
Q619
2SC2837(R,0)
Q614,Q616
Q618,Q620
2SAI186(R,0)
Q621,0622
2SC1815(0,
Y)
Q623
2saiois(0,Y)
Q624
TA7317P
Q625~0628
1S2471(G)
06290632
DS!I35D
Q642
0645
Q633-~
0636
wo6c
Q637-.Q639
Q641,0647,
Q648
1S1555
Q640
\ODF-2
Q649
09
x08
RXO8
680
ol
IXISA+
8)
Ee
SKIS
CxO
O
5
JXI3
O
x
3
ui
ia
|
Itc.o3
cLos
Err)
ro}
a
—2
09Faxo2
0x03
rs
pole
a
st
+
bat
R:
voo2
METER LAMPS
vooi
10/25V
220
Q701,0702
»PC68H
Q703,0704
2SC2259(F,G)
Q705,0706
2SA872
(D,E)
Q707,0708
Q715,
0716
2SC2240(GR,BL)
Q709,0710
Q713,Q714
2SA970
(GR,
BL)
0717,
0718
2SAN124(R,S)
Q719,0720
2SC2632(R,S)
Q721,0722
AN6552
0723,0724
W2-150
Q725-~
0730
1S1555
ONO!
,QNO2
2SC945(P,K)
QNO3,QN04
2SA733(P,K)
QNOS5
~~
OQNOB
1S1555
‘QNO9~
QNI2
'S2472
Q771
2SC2238
Q772
2SA968
Q778,0779
1O0Y
1.3
Q773,0775
2SC!775A(D,E)
077¢,0776
2SA872A(D,E)
Q777
HZI2B2L
Qxo;
TA7318P-2
QX02,0x03
HZIS—2L
Qx04
Ww2-052
QZOl
SLPI328
QKO!
2SCI775A(D,F)
QKO?
2SA872(0,F)
QKO3
28C945
(P,Q)
QKO4
2SA733
(P,Q)
OKOS
2502238
QKOE6
2SA968
QKO7,
QKO9
2SC2837
(R,0)
QKOE,QKIO
2SA1186
(R,O)
OKH,
QKI2
30DF-2
QLO6~
QLI4
1S2473
Qooi
SSVB8-20
Q002
S4vB-20
Q003,
0004
0S1350
QLO1,QL02
TL4558
QLO3
NJM2901
QLO4
HD74LSi22
QLOS
PC627
Quis
2SC945
RQ
(F)
ONLY
QOKI3 ,QKI4
3ODF-2
TOP
VIEW
AN6552
TOP
VIEW
TOP
VIEW
t
8
1
14
4
5
TL4558
PC627
7
8
NJM2901
2SA1186(R,0)
2SC2837(R,0)
2SA1t11(Q,R)
2S8€2591(Q,R)
2Sa968
28C2238
PRINTED
VIEW
2SC1568(S)
Components
and
wiring
are
subject
to
change
for
modification
without
notice.
TOP
VIEW
SIDE
VIEW
'
'
9
7
»PC68H
TAT3I7P
HD74LSI22P
SIDE
VIEW
t
:
TA7318P-2
8
13
c
E
m
28C2259
2SCI775A
(0,F)
2$A872
(0,F)
2SA733
(PQ)
2$0945
(P,K)
2$A970
(GR,BL)
2S$C2240(GR,BL)
2SA872A(0,F
)
2SA10I5
(0,Y)
2scisis
(0,Y)
2SA1
124
(R,S)
2$C€2638(Q,R)

Related product manuals