EasyManua.ls Logo

Marantz SR-14EX - Page 2

Marantz SR-14EX
34 pages
Print Icon
To Next Page IconTo Next Page
To Next Page IconTo Next Page
To Previous Page IconTo Previous Page
To Previous Page IconTo Previous Page
Loading...
AC INLET
AUDIO
AUDIO
AUDIO
AUDIO
REMOTE CONTROL
REMOTE CONTROL
VIDEO
VIDEO
COAX
OUT
OPT
OUT
DIG .1
IN
DIG .2
IN
MULTI
ROOM
DIG .4
IN
DIG .5
IN
DIG .6
/
S - VIDEO
S - VIDEO
COMPONENT
COMPONENT
VIDEO
VIDEO
ANTENNA
ANTENNA
FM (75
)
GND AM
RF IN
L
R
TV LD DVD IN
VCR1
OUT
IN
IN
DSS/VCR2
DSS/VCR2
OUT
OUT
TV LD DVD MONI.VCR1 VCR1
DSS / VCR2 DSS / VCR2
S2 IN S2 IN S2 IN S2 IN
S2 IN S2 OUT
AUDIO
AUDIO
CD IN
TAPE
OUT
IN
CD-R / MD
CD-R / MD
OUT
OUT
IN
OUT
OUT
REMOTE MULTI
Y Cr
Cr
Y Cr
Cr
DSS
/ VCR2
IN
DVD
IN
LR
LR
FRONT
SURROUND
SPEAKER SYSTEMS 8 OHMS
SPEAKER SYSTEMS 8 OHMS
DIG .3
IN
RL L
FRONT
R L R
(FRONT)
SURROUND
R
WOOFER
SUB
R L
MAIN
IN
OUT
PRE
SURROUNDFRONT
L
SURROUND BACK
L R
CENTER
OUT
OUT
WOOFER
SUB
DIRECT IN
CENTER SURROUND
RL
MONI.
ROOM
MULTI
MONITOR
OUT
IN
VCR1
CENTER
AC OUTLETS
AC OUTLETS
120V 60HZ
120V 60HZ
SWITCHED 120W 1A
SWITCHED 120W 1A
UNSWITCHED 120W 1A
UNSWITCHED 120W 1A
LR
AUDIO
OUT
VIDEO
OUT
S-VIDEO
OUT
LR
AUDIO
OUT
DIGITAL
OUT
VIDEO
OUT
S-VIDEO
OUT
LR
AUDIO
OUT
AUDIO
IN
LR
VIDEO
OUT IN
S-VIDEO
OUT IN
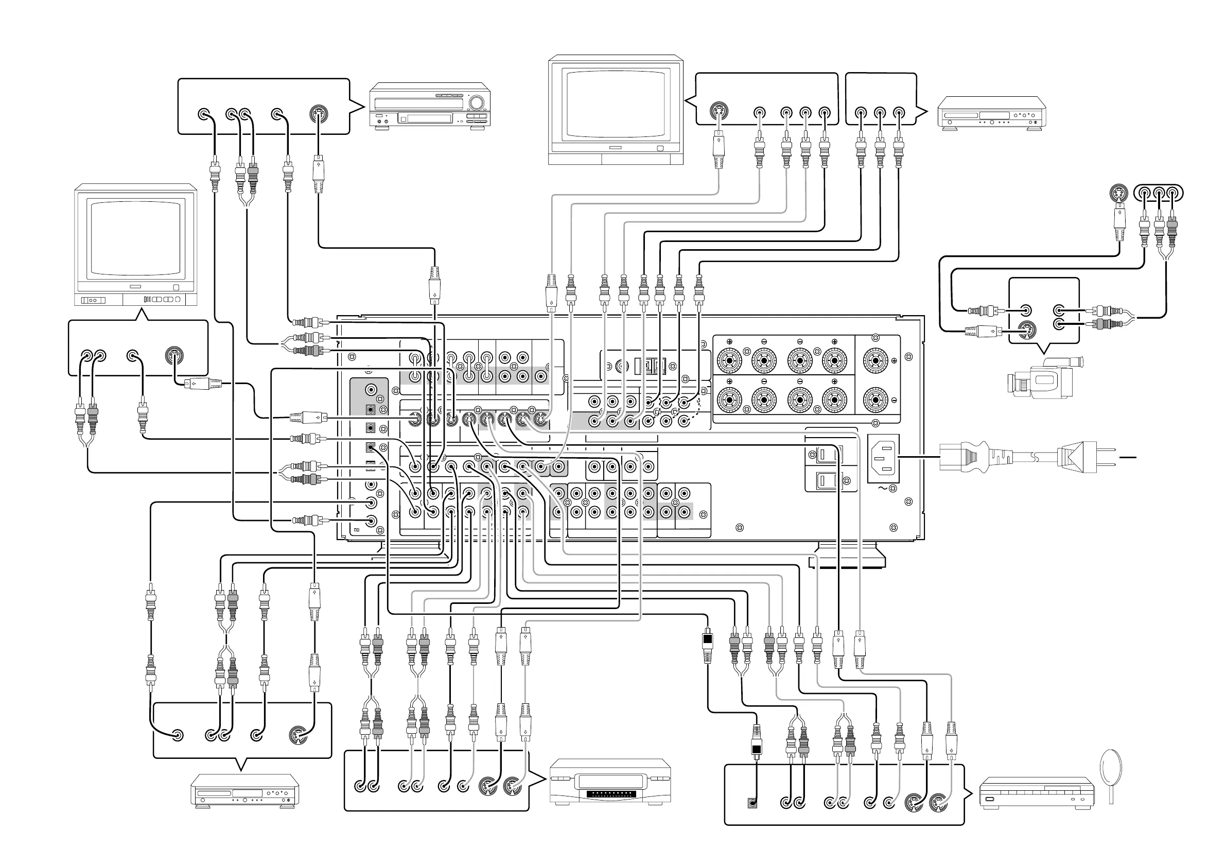
LD PLAYER
DVD PLAYER
SATELLITE TUNER or VCR2
VCR
TV
VIDEO SYSTEM CONNECTIONS FOR VIDEO COMPONENTS
VIDEO
OUT
AUDIO
OUT
AUX INPUT
VIDEOS2-VIDEO L AUDIO R
(FRONT AUX CONNECTIONS)
L
R
LR
AUDIO
OUT
DIGITAL
OUT
AUDIO
IN
LR
VIDEO
OUT IN
S-VIDEO
OUT IN
LR
AUDIO
OUT
RF
OUT
VIDEO
OUT
S-VIDEO
OUT
MONITOR TV
Y Cr
Cr
Y Cr
Cr
Cb
Cb
Cb
Cb
DVD PLAYER,
SATELLITE TUNER or VCR
VIDEO CAMERA
S-VIDEO
IN
COMPONENT
VIDEO IN
COMPONENT
VIDEO OUT
VIDEO
IN
i
Connect the provided
detachable power cord
To household
power outlet

Other manuals for Marantz SR-14EX

Related product manuals