EasyManua.ls Logo

Marantz SR1030 - Schematic Diagram and Parts Location

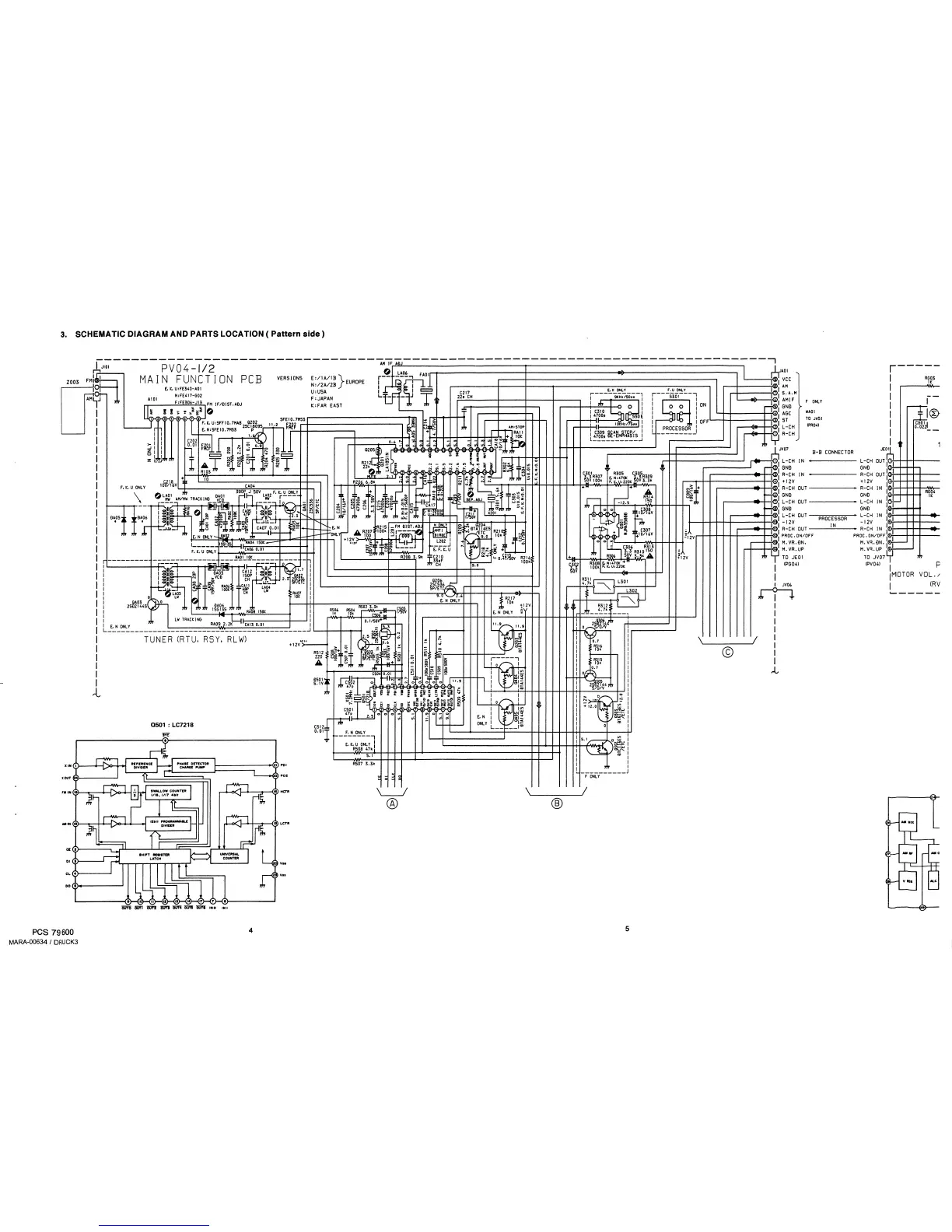
Marantz SR1030
30 pages
Print Icon
To Next Page IconTo Next Page
To Next Page IconTo Next Page
To Previous Page IconTo Previous Page
To Previous Page IconTo Previous Page
Loading...

Other manuals for Marantz SR1030

Related product manuals