EasyManua.ls Logo

Mareli Systems LC 25 - Page 9

Mareli Systems LC 25
20 pages
Print Icon
To Next Page IconTo Next Page
To Next Page IconTo Next Page
To Previous Page IconTo Previous Page
To Previous Page IconTo Previous Page
Loading...
9
Mareli Systems
bar
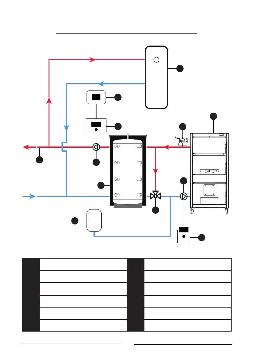
CONNECTION EXAMPLE WITH BUFFER + BOILER
1 LC boiler 7 Heating circuit
2 Safety valve 2.5 bar 8 Room thermostat
3 Circulation Pump Buer 9 Electronic regulation unit
4 Mixer valve (60 C) 10 Contact thermostat
5 Expansion vessel 11 Buer Tank
6 Water Boiler 12 Circulation Pump heating
1
2
3
4
5
6
7
8
9
10
11
12