EasyManua.ls Logo

MarelliGenerators M40FA610A - Wiring Diagram: 6 Terminals + Aux. Winding

MarelliGenerators M40FA610A
11 pages
Print Icon
To Next Page IconTo Next Page
To Next Page IconTo Next Page
To Previous Page IconTo Previous Page
To Previous Page IconTo Previous Page
Loading...
10
ITALIANO
E
N
GLISH
SIN.NT.010.7 – M40FA610A/A
Is
sued 03.2011
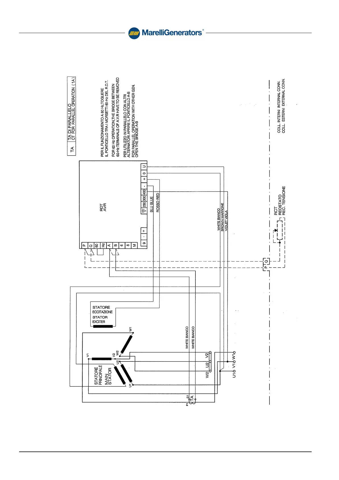
6 MORSETTI + AUSILIARIO / 6 TERMINALS + AUX. WINDING
CALL US TODAY
1-888-POWER-58
REQUEST A QUOTE
parts@genpowerusa.com
SHOP ONLINE
www.genpowerusa.com
CALL US TODAY
1-888-POWER-58
REQUEST A QUOTE
parts@genpowerusa.com
SHOP ONLINE
www.genpowerusa.com

Related product manuals