EasyManua.ls Logo

marklin 7555 - Page 10

marklin 7555
12 pages
Print Icon
To Next Page IconTo Next Page
To Next Page IconTo Next Page
To Previous Page IconTo Previous Page
To Previous Page IconTo Previous Page
Loading...
10
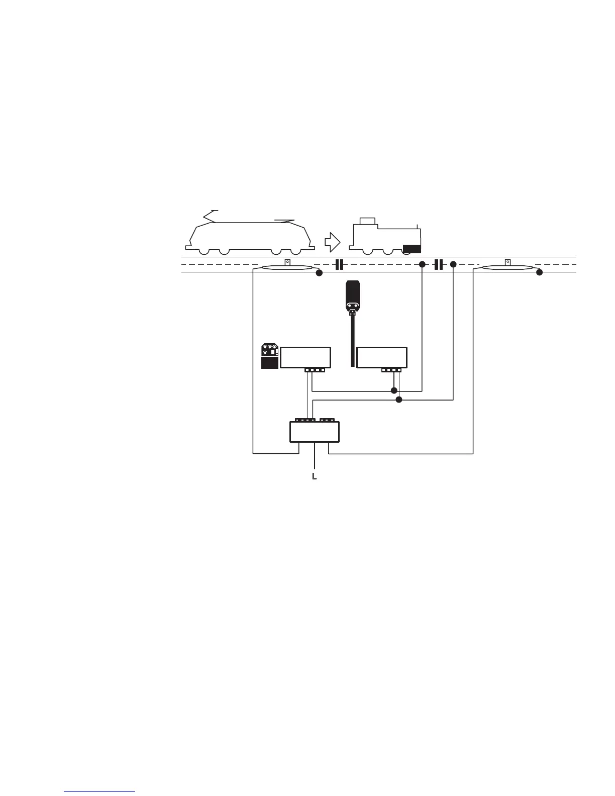
Die Rangierlok passiert bei Signalstellung Hp0/Sh1, der übrige
Zugverkehr hält an.
The switch engine passes with the signal set at Hp0/Sh1; all
other train traffic stops.
La locomotive de manoeuvre passe au niveau de
l‘indiction du signal Hp0/Sh1, le restant du trafic ferroviaire
s‘interrompt.
De rangeerlok passeert bij seinstand Hp0/Sh1, het overige
verkeer stopt.
La locomotora de maniobras pasa sin parar por la señal en posición
Hp0/Sh1 (paro), el demás tráfico ferroviario se para.
La Locomotiva da manovra passa colla disposizione del segnale
Hp0/Sh1, tutto il restante traffico ferroviario si arresta.
Rangerloket passerar vid signalställning Hp0/Sh1, varvid den
övriga trafiken är stoppad.
Rangerlokomotivet paserer ved signalstillingen Hp0/Sh1 (se i
kataloget under signalstillinger), og den øvrige togtrafik stopper.
7555 7555
74371 74391
7244
Schaltbeispiele
Sample Circuits
Exemple de commutation
Voorbeelden van schakelingen
Ejemplos de contacto
Esempi di commutazione
Manöverexempel
Kontakt-eksempler

Related product manuals