EasyManua.ls Logo

Marksman M11a - Page 12

Default Icon
32 pages
Print Icon
To Next Page IconTo Next Page
To Next Page IconTo Next Page
To Previous Page IconTo Previous Page
To Previous Page IconTo Previous Page
Loading...
White 10-Pin Mini Connector
(continued)
Pink Wire: (-) 200mA Programmable Output
(See Feature Programming Part 3)
Unlock the Driver’s Door First Output (Factory Default Setting)
The 2 step unlock feature will work for the most fully electronic door lock circuit. The vehicle must have an
electronic door lock switch
(not the lock knob or key
switch), which locks and
unlocks all of the vehicle’s
doors. When wired for this
feature, pressing the disarm
(or unlock) button one time
will disarm the alarm and
unlock the driver’s door
only. Press disarm (or
unlock) button two times
within 3 seconds, the alarm
will disarm and all doors will
unlock.
Orange/White Wire:
(-) 200mA Grounded Output when Disarmed - N.O. Disable
This will become grounded when the alarm is disarmed. The current capacity of this wire is 200mA. It can be
connected to optional ignition disable relay - ECU disable relay fuel pump disable relay.
Orange Wire : (-) 500mA
Grounded Output when Armed)
This wire will become
grounded when the alarm is
armed. The current capacity of
this wire is 500mA. This
output can control a starter
disable relay, when the system
is triggered. The vehicle is
prevented from any
unauthorized starting. Also
becomes activated when the
engine is remote started.
12
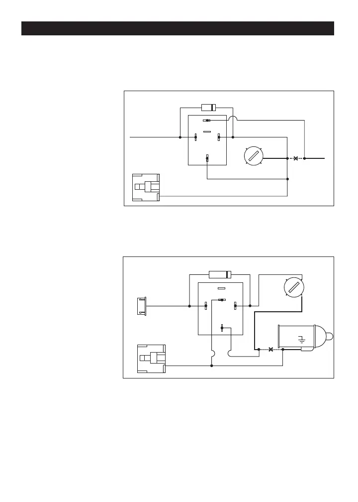
Wiring
87
87a
86
85
30
6-Pin Heavy Duty
White Connector
IN4003 Diode
Cut
Orange/White
Wire
To
Coil
Yellow Wire
"START"
"OFF"
"ON"
"ACC"
87
87a
86
85
30
"START"
"OFF"
"ON"
6-Pin Heavy Duty
White Connector
Starter
IN4003 Diode
Cut
Orange Wire
White 5-Pin
Mini Connector
"ACC"
Violet Wire
M11A-IM 3/8/05 3:42 PM Page 12

Related product manuals