EasyManua.ls Logo

Marksman M11a - Page 11

Default Icon
32 pages
Print Icon
To Next Page IconTo Next Page
To Next Page IconTo Next Page
To Previous Page IconTo Previous Page
To Previous Page IconTo Previous Page
Loading...
Wiring
11
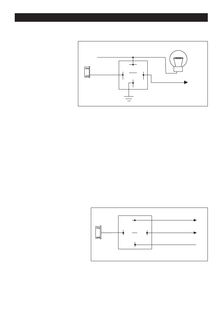
White 10-Pin Mini Connector
(continued)
White Wire: (-) 200mA Output
Dome Light Control Output:
This wire becomes grounded
when the dome light controls
circuit of the alarm is active.
The current capacity of this
wire is 200mA. This wire can
control the operation of the
interior lights. An optional
relay can be used as shown.
A. Upon disarming, the
interior lights will remain
on for 30 seconds.
B. If the vehicle is violated,
the interior light will flash
for the same duration as the siren.
Black/Red Wire: (-) 200mA Timer Control Channel 5 Output
(See Alarm Feature Programming Part 3) (Factory default setting on momentary ground) This wire is built-
in user programmable timer output provides a ground through this wire. You may program the built-in
timer to send ground signal for any time interval between 1 second and 2 minutes. For instance, this timer
output may be used to turn on the headlights with the remote control. Also, on certain Mercedes Benz,
BMW, Jaguar and Volkswagens you can use this unique timed output to allow remote closure of all power
windows and sunroof without the need for an external module.
Black/Green Wire: (-) 200mA Timer Control Channel 4 Output/Key Sensor Output
(See Alarm Feature Programming Part 3) (Factory default setting on momentary ground) This wire is built-
in user programmable timer output provides a ground through this wire. You may program the built-in
timer to send ground signal for any time interval between 1 second and 2 minutes. For instance, this timer
output may be used to turn on the headlights with the remote control. Also, on certain Mercedes Benz,
BMW, Jaguar and Volkswagens you can use this unique timed output to allow remote closure of all power
windows and sunroof without the need for an external module.
Gray Wire:
(Pulse Type Programmable)
Channel 3 (Trunk Release) Output
This will become a 1 second pulse
ground by activating Channel 3 on
transmitter for two seconds, the current
capacity of this wire is 200mA. This
feature allows you to remote control
trunk release or other electric device.
Common Door Pin Trigger
White Wire
Ground Wire or + 12V
Depending on Circuit Requirements
87
87A
85
86
30
+12V
Dome
Light
10-Pin Mini
White Plug
87
86
85
30
(Relay Not Supplied)
Output to Power
Trunk Switch
To Constant +12 Volts
Input to Relay (+ or
-
)
White
10-Pin Mini
Connector
Gray
Wire
M11A-IM 3/8/05 3:42 PM Page 11

Related product manuals