EasyManua.ls Logo

Marksman M11a - Page 10

Default Icon
32 pages
Print Icon
To Next Page IconTo Next Page
To Next Page IconTo Next Page
To Previous Page IconTo Previous Page
To Previous Page IconTo Previous Page
Loading...
Wiring
Resistor
Yellow
Trucks: Orange/Black or Cars: Black
Passkey II Passive Anti-Theft Bypass
87
87A
85
86
30
To Vehicle's Ignition Wire
Trucks: Red/White or Cars: White
White 10-Pin
Mini Connector
Yellow Wire
10
White 10-Pin Mini Connector
(continued)
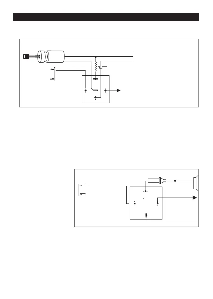
GM VATS Key Override Using ALA985H Relay:
Black/Violet Wire: (-) 200mA Timer Control Channel 6 Output
(See Alarm Feature Programming Part 3) (Factory default setting on momentary ground) This wire is built-
in user programmable timer output provides a ground through this wire. You may program the built-in
timer to send ground signal for any time interval between 1 second and 2 minutes. For instance, this timer
output may be used to turn on the headlights with the remote control. Also, on certain Mercedes Benz,
BMW, Jaguar and Volkswagens you can use this unique timed output to allow remote closure of all power
windows and sunroof without the need for an external module.
Brown/White Wire: (-) 200mA Programmable Output
Horn Output (See Alarm Feature Programming Part 3):
This wire can be used to activate the existing vehicle’s horn as the alarm system’s optional warning audible
device. It’s a transistorized
low current output, and
should only be connected
to the low current ground
output from the vehicle’s
horn switch. When the
system is triggered, the
horn will sound (depending
on the vehicle’s
requirement an additional
relay may be required as
shown).
Factory Security Rearm Signal Output (See Alarm Feature Programming Part 3):
This wire can be used to rearm a factory installed security system. This wire will supply a pulse whenever the
remote start times out or is shut down using the transmitter and remote door locking.
87
87a
86
85
30
Brown/White Wire
+12V
To Horn
+12V or Ground Depe
on System Requiremen
Fuse
6-Pin Mini
White Plug
M11A-IM 3/8/05 3:42 PM Page 10

Related product manuals