EasyManua.ls Logo

Marksman M11a - Page 9

Default Icon
32 pages
Print Icon
To Next Page IconTo Next Page
To Next Page IconTo Next Page
To Previous Page IconTo Previous Page
To Previous Page IconTo Previous Page
Loading...
Wiring
9
White 10-Pin Mini Connector
(continued)
Yellow Wire: (continued)
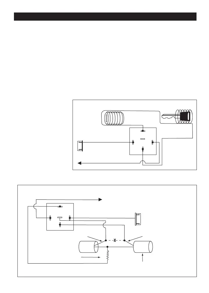
Transponder Interfacing Using ALA984 Relay (may also use optional RS-TIM bypass module):
If the vehicle has transponder system installed, you will need to bypass the system while the vehicle is
operating under the control of the Remote Start Unit. To do this, follow these steps:
1. You will need a transponder key that's already programmed to the vehicle.
2. Remove the trim around the ignition switch.
3. Wrap a thin (30awg) wire tightly around ignition switch 6 to 8 times and secure it.
4. About 6" down line make another loop of approximately 2" diameter.
5. Place the key inside this loop and secure it to the loop.
6. Connect one end of the 30 awg wire to pin (87) of the relay module.
7. Connect the other end of the loop wire to pin (30) of relay module.
8. Connect pin (86) to ignition, connect pin (85) to the yellow wire of the white 10-pin mini connector.
Ignition 3 Output:
Some newer vehicles use a
third ignition wire which is
required to start and keep
the vehicle’s engine running.
If this is the case, wire an
IGN 3 Relay (not supplied)
as shown:
DO NOT CONNECT ANY
VEHICLE CIRCUITS
TOGETHER, THEY ARE
ISOLATED FOR A REASON.
Transponder Key
87
87A
85
86
30
Ignition
Switch
+12 Volt Ignition
Yellow Wire
10-Pin Mini White Plug
GM VATS Key Override Using ALA984 Relay
(may also use optional RS-PLM bypass module)
:
Passkey/Vats: Anti-Theft Bypass
87
87A
85
86
30
To Ignition
White 10-Pin
Mini Connector
Passkey Wire Computer Side
Orange or Black Plastic Tube
at Steering Column
Resistor
Cut
Passkey Wire Key Side
Yellow Wire
M11A-IM 3/8/05 3:42 PM Page 9

Related product manuals