EasyManua.ls Logo

Marksman M11a - Page 14

Default Icon
32 pages
Print Icon
To Next Page IconTo Next Page
To Next Page IconTo Next Page
To Previous Page IconTo Previous Page
To Previous Page IconTo Previous Page
Loading...
Wiring
14
One Wire Multiplexing Door Locking Systems
Some vehicle’s (Chrysler, Mazda and Ford Probe and others) use one wire to lock and unlock the doors.
Example: When the door lock controller sees a signal thru a resistor it will unlock. If a signal is received
without a resistor the doors will lock. Some use 2 resistors. One for lock and one for unlock. We have
developed patented plug-in fuse resistors for this application. Simply remove the fuse from our door lock
module and replace with correct resistor value fuses that matches the vehicles door lock switch.
Wiring:
1. Connect both the green (lock) and the blue (unlock) wires to the vehicles one wire lock/unlock wire.
2. Connect our violet polarity input wire to +12v or to ground. To match vehicles door lock polarity.
3. The white and the brown wires will not be used.
White Wire Lock
To Power
Lock Switch
To Power
Lock Motors
Brown Wire Unlock
Green Wire Lock
Blue Wire Unlock
Violet Wire To +12 Volts Constant
Lock Fuse 1
Unlock Fuse 2
ALA-DL1
Red Wire
Black Wire
Black 3-Pin
Mini Connector
Green Wire
Blue Wire
Note: Orange wire from ALA-DL1 must be connected to +12V.
Black 3-Pin Mini Connector
(continued)
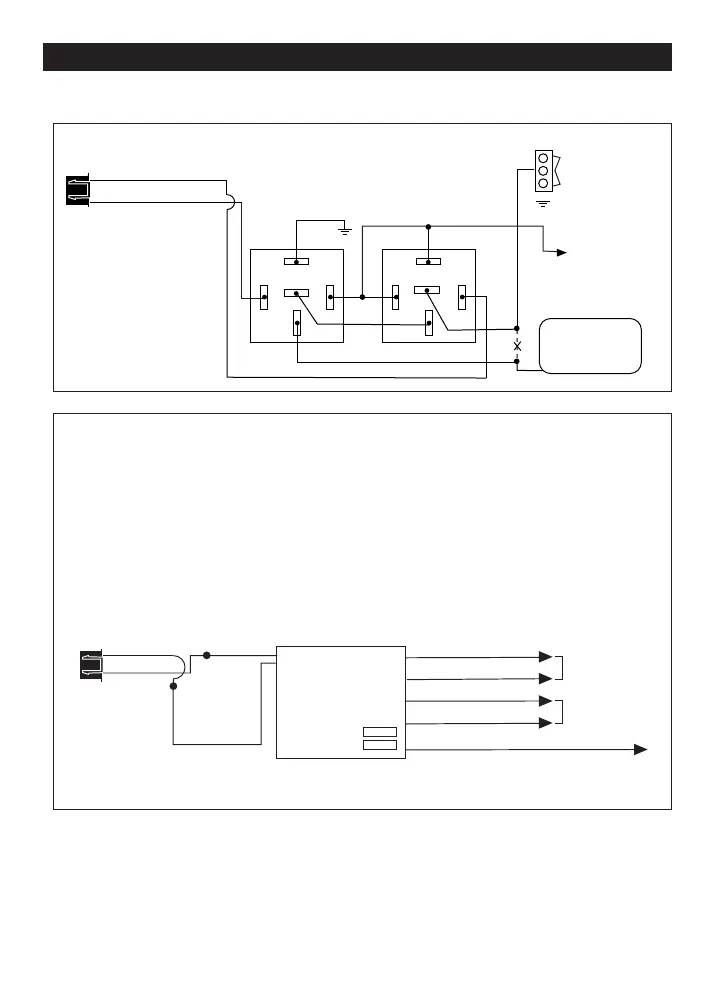
Mercedes Door Lock Activation
Door Lock
Switch
Unlock
Lock
B+
87
87A
85
86
30
87
87A
85
86
+
++
To +12 Volts
(Battery +)
Door Lock
Compressor
Cut
Green Wire
Unlock
Lock
Black 3-Pin Plug
Green Wire: Lock
Blue Wire: Unlock
M11A-IM 3/8/05 3:42 PM Page 14

Related product manuals