EasyManua.ls Logo

Marksman M11a - Page 15

Default Icon
32 pages
Print Icon
To Next Page IconTo Next Page
To Next Page IconTo Next Page
To Previous Page IconTo Previous Page
To Previous Page IconTo Previous Page
Loading...
15
Black 3-Pin Mini Connector
(continued)
Wiring
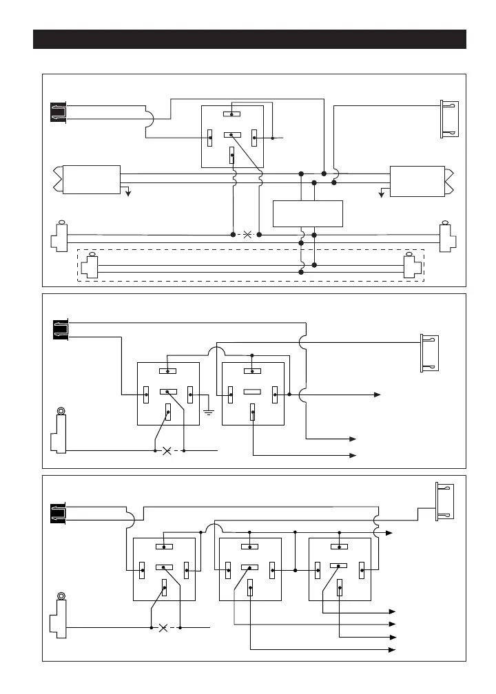
Unlock Driver's Door First for 3-Wire Negative Door Lock Systems
87
87A
85
86
30
Unlock Wire
Passenger's Door
Lock
Unlock
To +12V or Ground
To +12V or Ground
Driver's Door
Rear Doors
Passenger's
Door Switch
Door Lock Relay
Control Module
Lock
Unlock
+12V
ALA984H
Relay
Driver's Door
Switch
Cut
Black 3-Pin Mini
Connector
White 7-Pin
Mini Connector
le Wire
reen Wire
ink Wire
Unlock Driver's Door First Wiring for 3-Wire Positive Door Lock System 
87
87A
85
86
30
To +12 Volts
(Battery +)
To Power Door 
Lock Switch 
Lock/Unlock Wires
Lock
Unlock
87
87A
85
86
30
+ Unlock
Cut
Driver's 
Door Motor
White 7-Pin
Mini Connector
Pink Wire
Black 3-Pin
Mini Connector
Green Wire
Blue Wire
Unlock Driver's Door First Wiring for 5-Wire Ground at Rest Door Locking Systems
87
87A
85
86
30
87
87A
85
86
30
To +12 Volts
(Battery +)
To Power
Lock Switch
To Power
Lock Motors
Lock
Lock
Unlock
Unlock
87
87A
85
86
30
+ Unlock
Cut
Driver's 
Door
Motor
White 7-Pin
Mini Connecotor
Black 3-Pin
Mini Connector
Green Wire 
Blue Wire 
M11A-IM 3/8/05 3:42 PM Page 15

Related product manuals