EasyManua.ls Logo

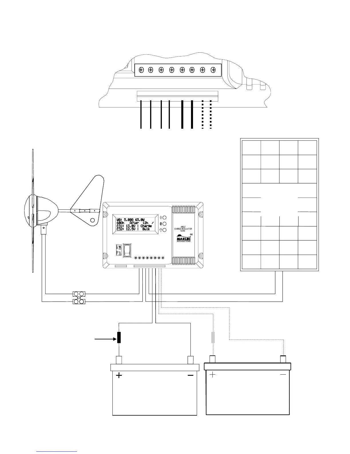
Marlec HRDi - Cut Away of Hrdi Wiring Block; WG -Windcharger; Hrdi Charge Regulator

Marlec HRDi
8 pages
Print Icon
To Next Page IconTo Next Page
To Next Page IconTo Next Page
To Previous Page IconTo Previous Page
To Previous Page IconTo Previous Page
Loading...
HRDi Charge Regulator Installation and Operation
Fig 2 Basic Wiring Scheme
WG -Windcharger
HRDi Charge Regulator
PV— Solar Module
(Max 160 W)
BLOCKING DIODE
MUST BE FITTED*
Battery 1
WG+ WG– PV+ PV- BAT+ BAT– BAT2+ BAT2-
Cut Away of HRDi Wiring Block
Wiring block
* Parallel panels each
require a blocking diode .
Battery 2
In Line Fuse
Supplied With
Windcharger

Related product manuals