EasyManua.ls Logo

Master MFG PCD-E3-009B-MM MASTER GARDNER - Page 7

Default Icon
8 pages
Print Icon
To Next Page IconTo Next Page
To Next Page IconTo Next Page
To Previous Page IconTo Previous Page
To Previous Page IconTo Previous Page
Loading...
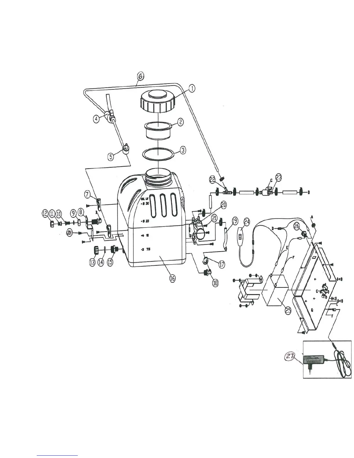
Master Gardner Tank Assembly
Figure B

Related product manuals