EasyManua.ls Logo

Master B 230 - Page 133

Master B 230
143 pages
Print Icon
To Next Page IconTo Next Page
To Next Page IconTo Next Page
To Previous Page IconTo Previous Page
To Previous Page IconTo Previous Page
Loading...
en
it
de
es
fr
nl
pt
da
no
sv
pl
ru
cs
hu
sl
tr
hr
lt
lv
et
ro
sk
bg
uk
bs
el
zh
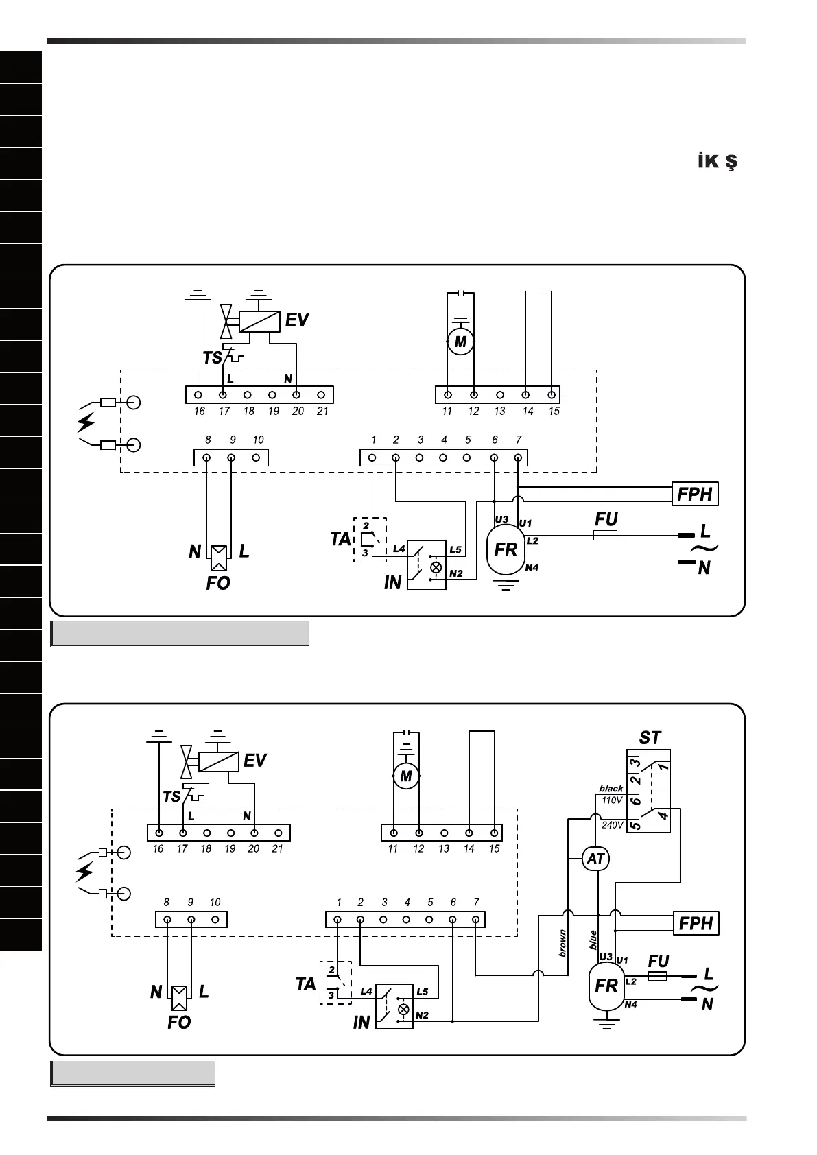
WIRING DIAGRAMS - SCHEMI ELETTRICI - SCHALTPLÄNE - ESQUEMAS
ELÉCTRICOS - SCHEMAS ELECTRIQUES - ELEKTRISCHE SCHEMA’S -
ESQUEMAS ELÉCTRICOS - ELEKTRISKE SKEMAER - SÄHKÖKAAVIOT
- KOPLINGSSKJEMA - ELEKTRISKA KOPPLINGSSCHEMAN - SCHEMA-KOPLINGSSKJEMA - ELEKTRISKA KOPPLINGSSCHEMAN - SCHEMA-ELEKTRISKA KOPPLINGSSCHEMAN - SCHEMA-SCHEMA-
-
MATA - VILLANYBEKÖTÉSI RAJZOK - 
EMALARI - 
SCHEME ELECTRICE - ELEKTRICKÉ SCHÉ-
MY - 
- 󴃯󵀟󱤮
B 130 - B 180 - BV 69E - BV 77E
BV 69DV - BV 77DV

Other manuals for Master B 230

Related product manuals