EasyManua.ls Logo

Master B35CED - Page 17

Master B35CED
25 pages
Print Icon
To Next Page IconTo Next Page
To Next Page IconTo Next Page
To Previous Page IconTo Previous Page
To Previous Page IconTo Previous Page
Loading...
4110.607
16
1
2
4
3
5
6
7
8
10
11
12
43
14
15
17
20
18
19
21
21
24
28
29
30
31
32
34
38
37
11
13
9
33
35
36
42
39
40
23
44
11
41
45
26
25
16
22
27
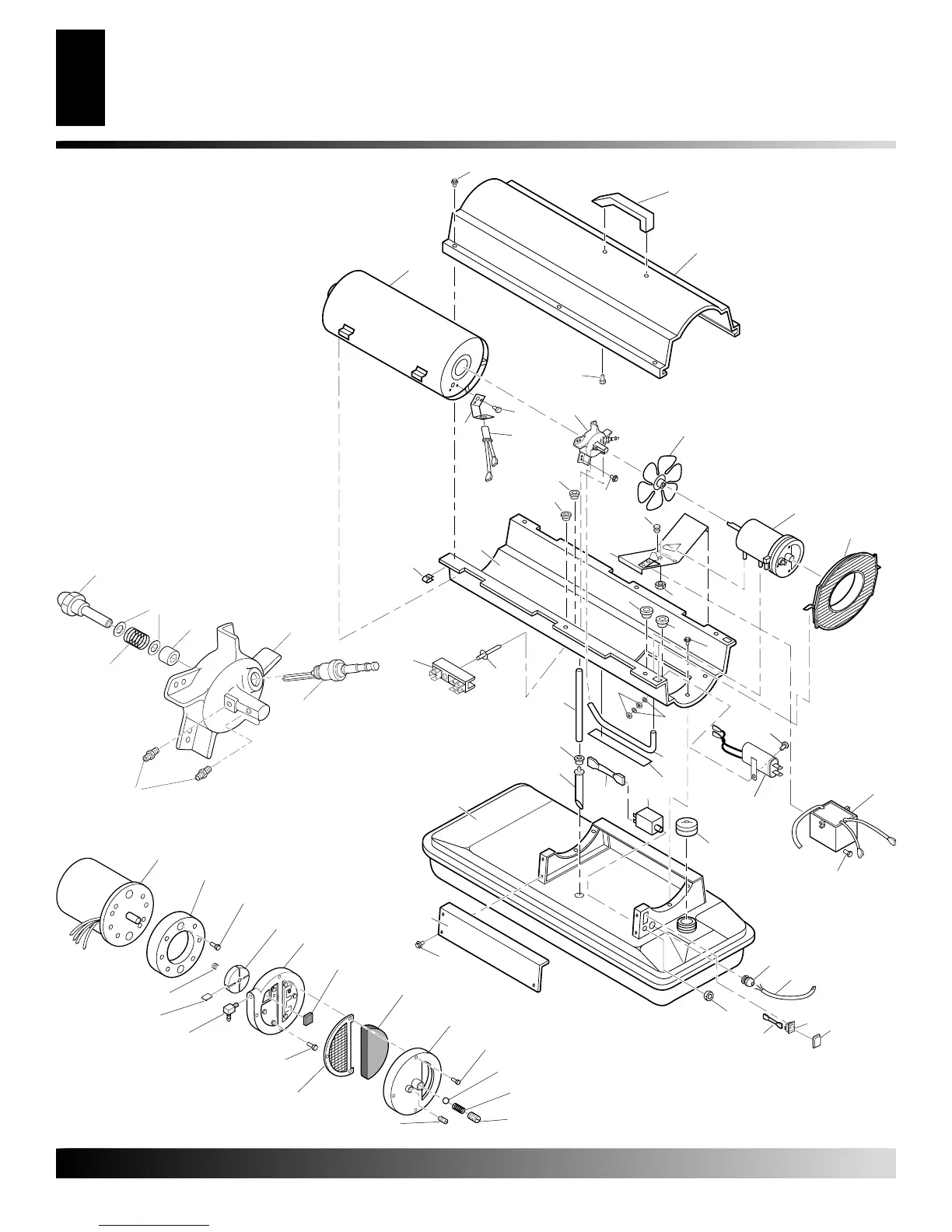
ILLUSTRATED PARTS
BREAKDOWN
70,000 BTU/HR MODEL
10-6
10-3
10-2
10-4
10-5
10-7
10-1
Motor and Pump Assembly
Burner Head Assembly
18-1
18-2
18-18
18-4
18-5
18-6
18-7
18-8
18-9
18-10
18-11
18-12
18-13
18-14
18-15
18-16
18-17
18-3
ILLUSTRATED PARTS BREAKDOWN
70,000 Btu/Hr Model

Related product manuals