EasyManua.ls Logo

Mastervolt IVO Compact - Installation Diagram

Mastervolt IVO Compact
Print Icon
To Next Page IconTo Next Page
To Next Page IconTo Next Page
To Previous Page IconTo Previous Page
To Previous Page IconTo Previous Page
Loading...
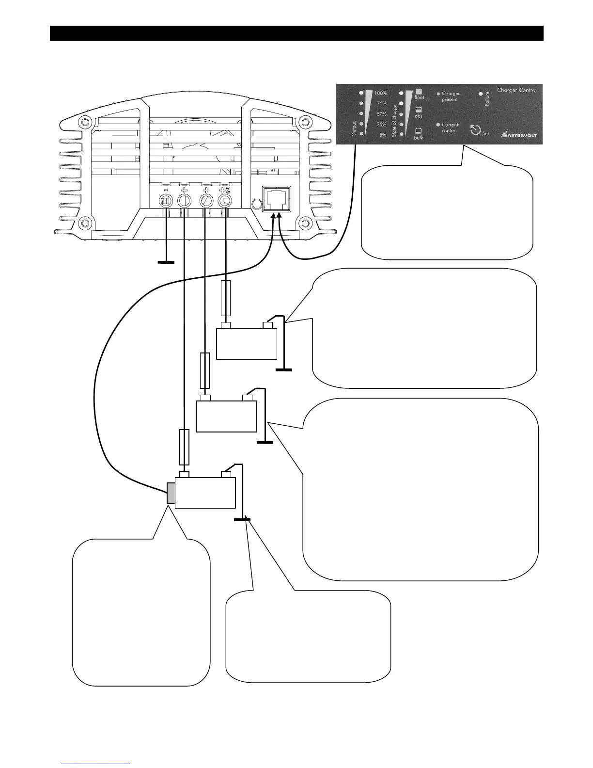
INSTALLATION : BATTERY CHARGER
+ –
12V/24V
+ –
12V/24V
+ –
12V/24V
-Main battery set.
-Hoofd accuset.
-Hauptbatterie-Set
-Groupe principal de batteries
-
Batteria principale
-
Juego de batería principal
-Huvud Förbrukar batterier.
-Second main battery set. (Only applicable for
12/25-3(230V) and 12/20-3(120V))
-Tweede hoofd accuset. (Alleen voor 12/25-
3(230V) en 12/20-3(120V))
-Zweites Hauptbatterie-Set (nur für den 12/25-
3(230V) und 12/20-3(120V))
-Deuxième groupe principal de batteries (modèles
12/25-3 (230V) et 12/20-3(120V) uniquement)
-
Seconda batteria principale (applicabile solo a
12/25-3(230V) e 12/20-3(120V)).
-
Segundo juego de batería principal (sólo
aplicable en el modelo 12/25-3 (230V) y 12/20-
3(120V))
-Extra förbrukar batteri bank. (Endast
tillgänglig på modeller 12/25-3
(230V) och
12/20-3
(
120V
)
)
-Slave charger output. (e.g. starter battery)
-“Slave” lader uitgang. (Bijv. startaccu)
-“Slave”-Ladeausgang (z.B. Starterbatterie)
-Sortie chargeur auxiliaire (batterie de
démarrage, par ex.)
-
Uscita caricabatterie slave (ad esempio,
batteria di un motorino d’avviamento
-
Salida del cargador “esclava” (por ej, batería
de arranque)
-
Slav utgång (3 Amp). (Tex. Start batteri)
-Optional CC remote panel
-Optioneel CC bedieningspaneel
-Optionale CC-Fernbedienung
-Tableau de télécommande CC
optionnel
-
Pannello remoto CC opzionale
- Panel remoto opcional de CC
-
Extra kontroll
p
anel CC
-Battery temperature
sensor.
-Accu temperatuursensor.
-Batterietemperatur-Sensor
-Sonde de température
batterie
-
Sensore di temperatura
batteria
-
Sensor de temperatura de
la batería
-Batteri temperatur
sensor.

Related product manuals