EasyManua.ls Logo

matson MA98411 - Page 13

matson MA98411
24 pages
Print Icon
To Next Page IconTo Next Page
To Next Page IconTo Next Page
To Previous Page IconTo Previous Page
To Previous Page IconTo Previous Page
Loading...
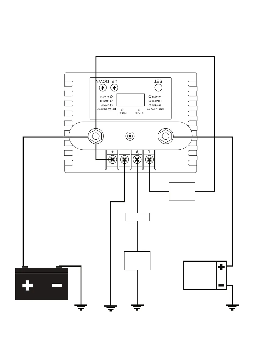
LOW VOLTAGE DISCONNECT WIRING EXAMPLE
12 Volt Primary
Battery
(Sensing)
BUZZER
LOAD
150A
MAX
MUTE
SWITCH
(OPTIONAL)
REMOTE
OVERRIDE
SWITCH
+ SENSE WIRE