EasyManua.ls Logo

matson MA98411 - Page 15

matson MA98411
24 pages
Print Icon
To Next Page IconTo Next Page
To Next Page IconTo Next Page
To Previous Page IconTo Previous Page
To Previous Page IconTo Previous Page
Loading...
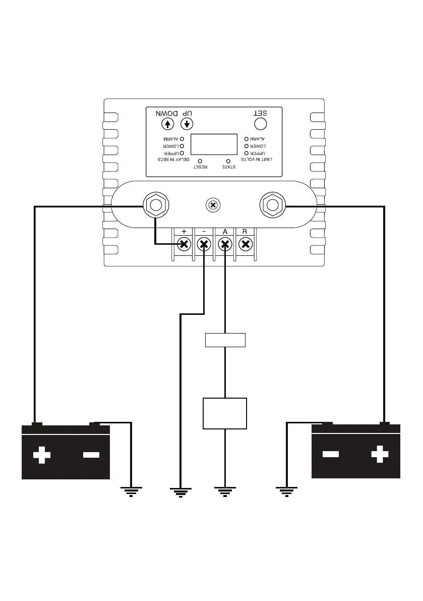
AUTOMATIC PARALLELING WIRING EXAMPLE
+ SENSE WIRE
12 Volt Primary
Battery
(Sensing)
12 Volt Secondary
Battery
(Charging)
BUZZER
MUTE
SWITCH
(OPTIONAL)