EasyManua.ls Logo

Matsui M150TC - SCHEMATIC DIAGRAM; Microwave Oven Electrical Schematic

Matsui M150TC
34 pages
Print Icon
To Next Page IconTo Next Page
To Next Page IconTo Next Page
To Previous Page IconTo Previous Page
To Previous Page IconTo Previous Page
Loading...
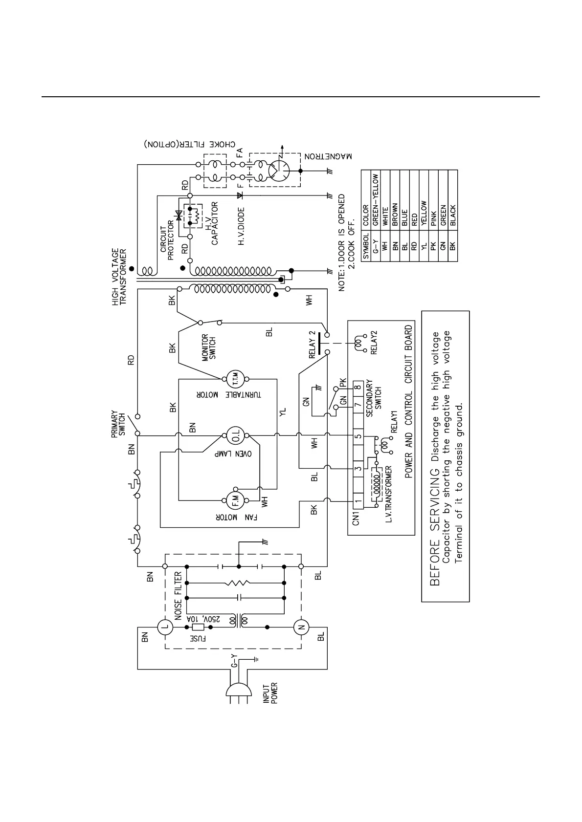
SCHEMATIC DIAGRAM
4-3
OVEN THERMALOVEN THERMAL
CUT-OUTCUT-OUT
MGT THERMALMGT THERMAL
CUT-OUTCUT-OUT

Related product manuals