EasyManua.ls Logo

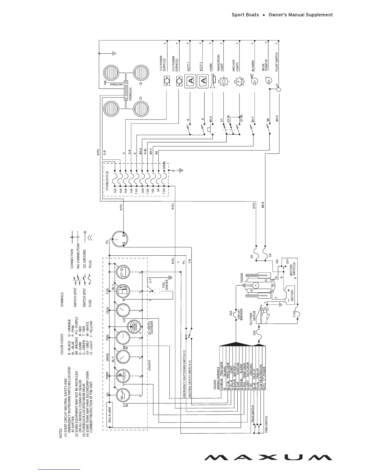
Maxum 2100SC - 1800 SR3, 1900 SR3, & 2000 SR3 Wiring Diagram

Default Icon
96 pages
Print Icon
To Next Page IconTo Next Page
To Next Page IconTo Next Page
To Previous Page IconTo Previous Page
To Previous Page IconTo Previous Page
Loading...
Chapter 11: Electrical System
80
1800SR3, 1900SR3, & 2000SR3

Table of Contents

Related product manuals