EasyManua.ls Logo

Maxum 2200SR3 - Page 87

Default Icon
96 pages
Print Icon
To Next Page IconTo Next Page
To Next Page IconTo Next Page
To Previous Page IconTo Previous Page
To Previous Page IconTo Previous Page
Loading...
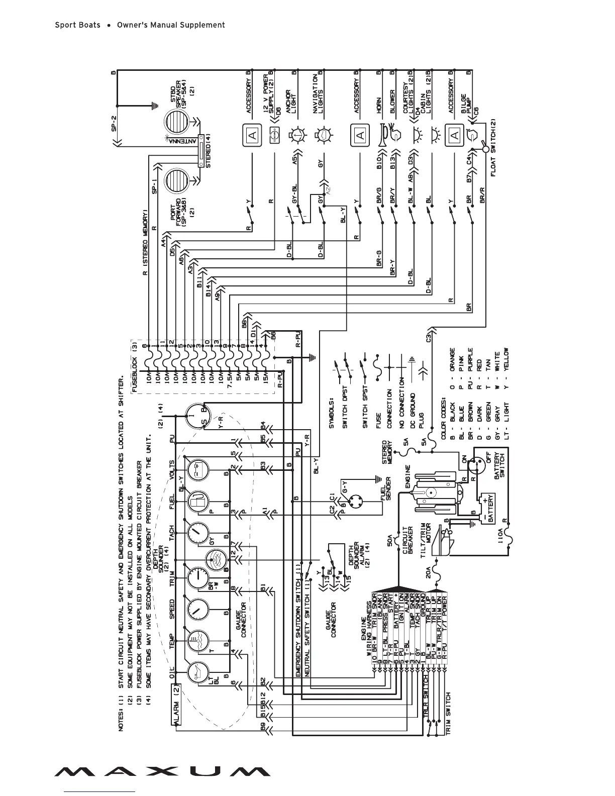
Chapter 11: Electrical System
81
2100SC

Table of Contents

Related product manuals