EasyManua.ls Logo

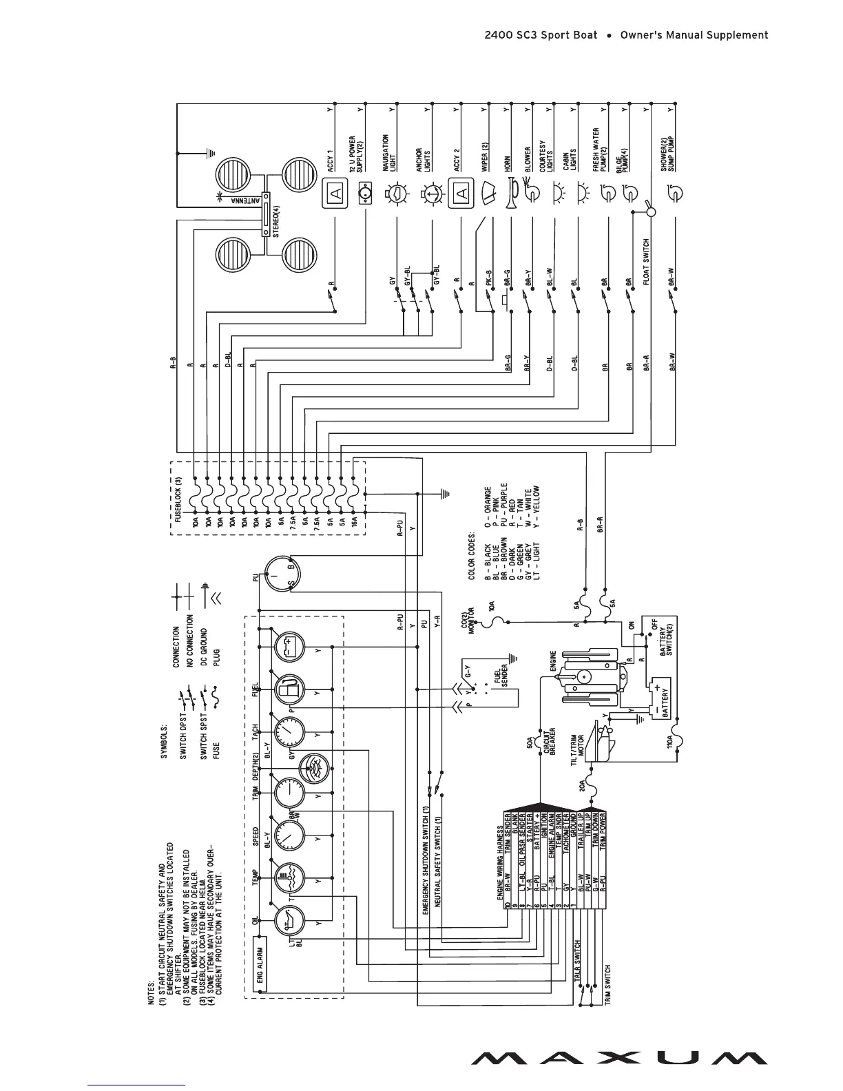
Maxum 2400 SC3 - Wiring Diagram

Default Icon
52 pages
Print Icon
To Next Page IconTo Next Page
To Next Page IconTo Next Page
To Previous Page IconTo Previous Page
To Previous Page IconTo Previous Page
Loading...
Chapter 12: Electrical System
38
Wiring Diagram

Table of Contents

Related product manuals