EasyManua.ls Logo

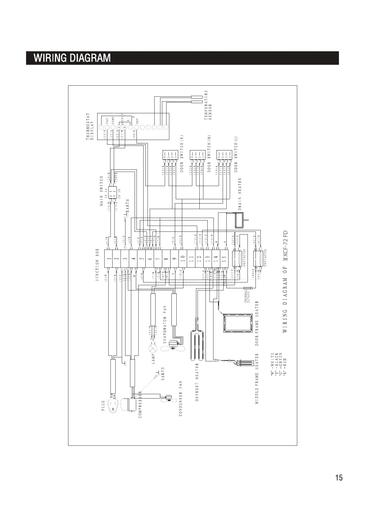
Maxx Cold MXCF-23FD - MXCR>49 FD;72 FD Specific Wiring

Maxx Cold MXCF-23FD
16 pages
Print Icon
To Next Page IconTo Next Page
To Next Page IconTo Next Page
To Previous Page IconTo Previous Page
To Previous Page IconTo Previous Page
Loading...
Service and Installation Manual
XCF-72 FD

Other manuals for Maxx Cold MXCF-23FD

Related product manuals