EasyManua.ls Logo

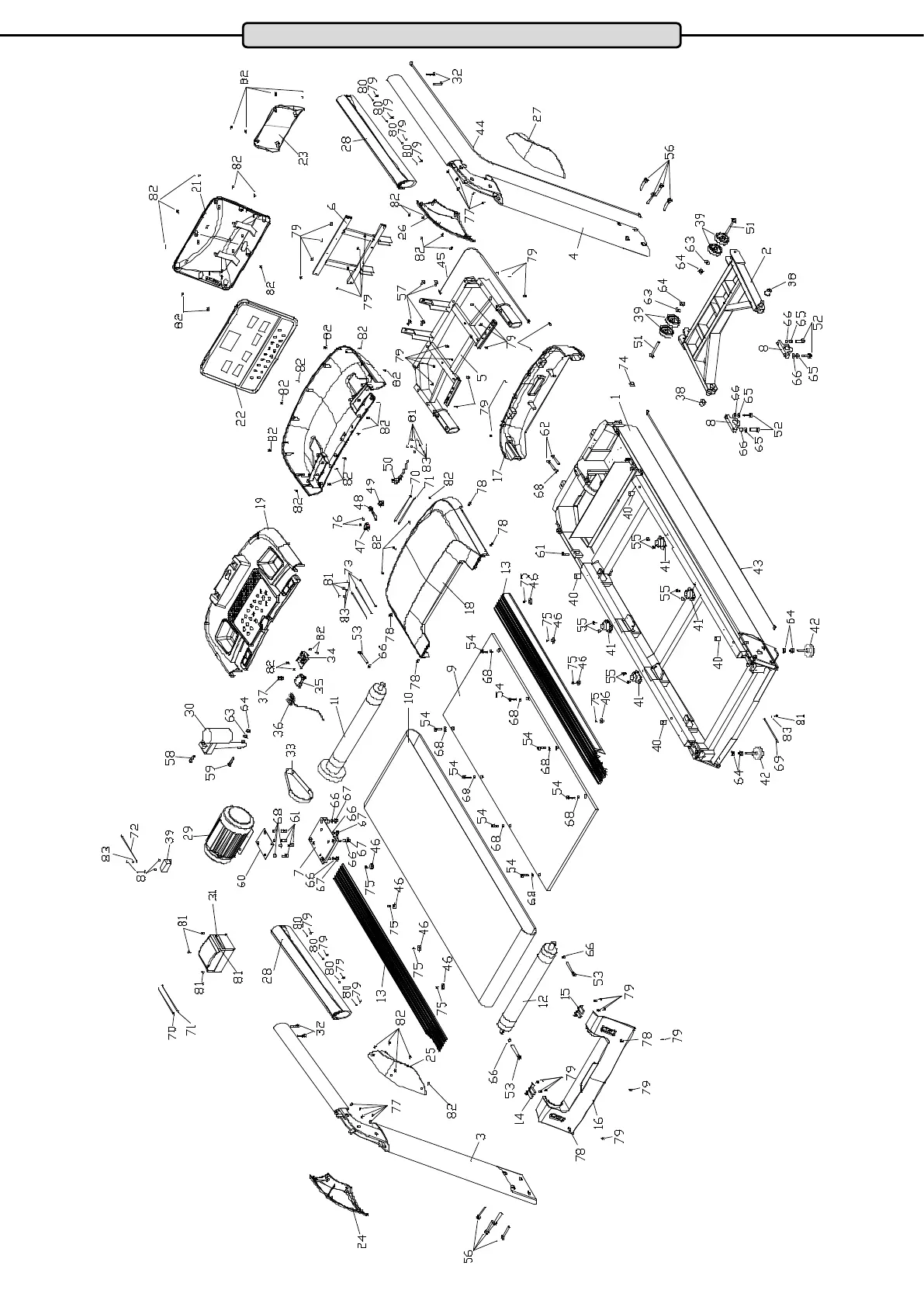
Maxxus RunMAXX 90 PRO - Exploded Drawing

Maxxus RunMAXX 90 PRO
29 pages
Print Icon
To Next Page IconTo Next Page
To Next Page IconTo Next Page
To Previous Page IconTo Previous Page
To Previous Page IconTo Previous Page
Loading...
24
Exploded Drawing

Related product manuals