EasyManua.ls Logo

Maytag MGDB800VU0 - Page 16

Maytag MGDB800VU0
16 pages
Print Icon
To Previous Page IconTo Previous Page
To Previous Page IconTo Previous Page
Loading...
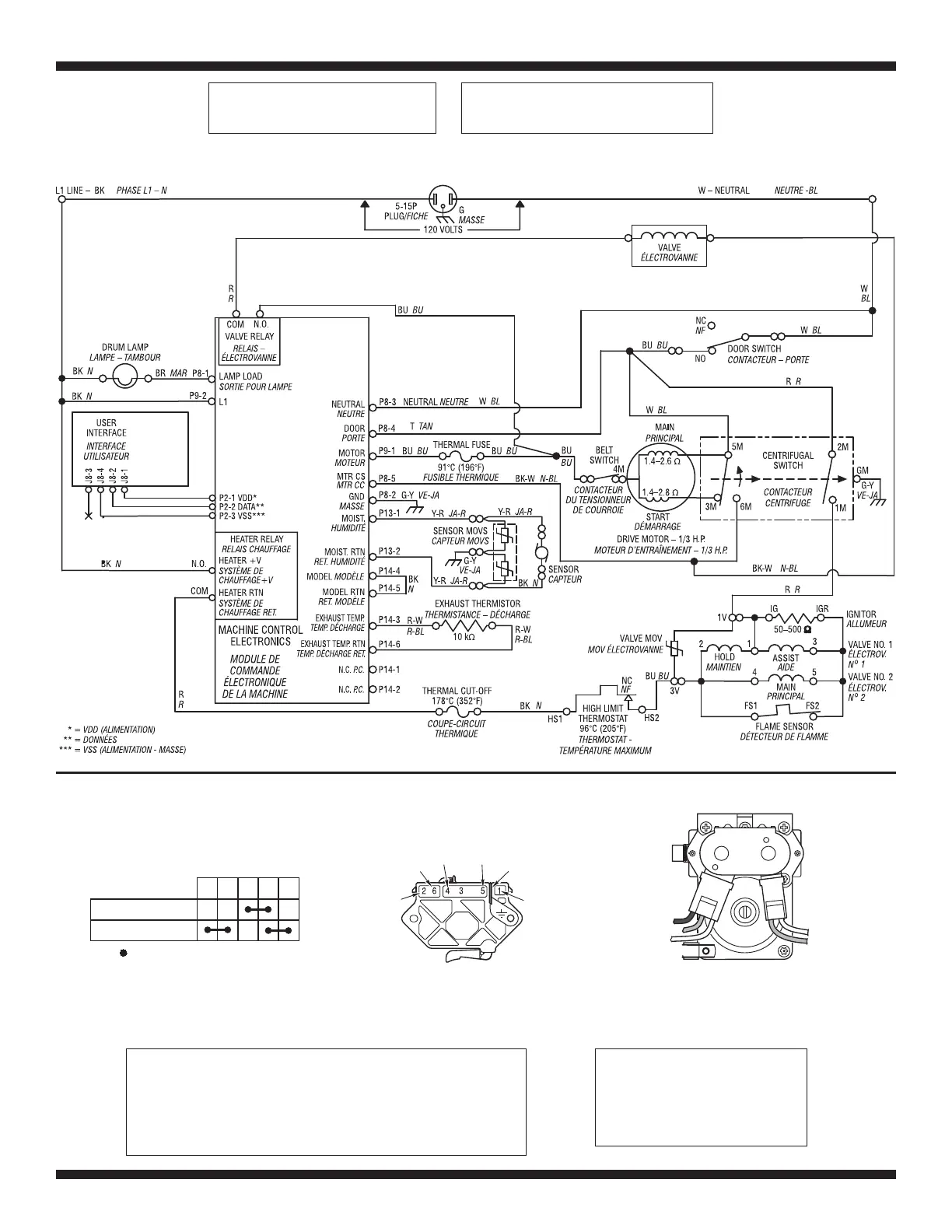
FOR SERVICE TECHNICIAN ONLY - DO NOT REMOVE OR DESTROY POURLETECHNICIEN SEULEMENT - NE PAS ENLEVERNIDÉTRUIRE
NECÈIP61EGAPW10156734A.ONTRAP
o
W10156734A
05/08
SOFTWARE COPYRIGHTED.
MANUFACTURED UNDER ONE OR MORE OF
THE FOLLOWING CANADIAN PATENTS:
LOGICIEL ASSUJETTI AUX DROITS D’AUTEUR.
FABRIQUÉ SOUS UN OU PLUSIEURS DES
BREVETS CANADIENS SUIVANTS :
1,273,387 1,315,539 2,016,304
1M 2M 3M 5M 6M
Contacts
Function/Fonction
Start/Démarrage
Run/Fonctionnement
Centrifugal Switch (Motor)
Contacteur centrifuge (moteur)
IMPORTANT : Une décharge d’électricité statique
peut faire subir des dommages aux circuits
électroniques. Pour les détails, voir la page 1.
IMPORTANT: Electrostatic (static electricity)
discharge may cause damage to machine
control electronics. See page 1 for details.
GAS DRYER
WIRING DIAGRAM
S
ÉCHEUSE À GAZ
SCHÉMA DE CÂBLAGE
STEAM MODEL MODÈLE VAPEUR
Black-White
Noir-blanc
Blue
Bleu
White
Blanc
Green-Yellow
Vert-jaune
Red
Rouge
Red
Rouge
Pluggable Drive Motor Switch
Contacteur du moteur
d’entraînement enfichable
Black Noir
Blue Bleu
WWHHIITTEE
White Blanc
White Blanc
Blue Bleu
Gas Valve
Électrovanne à gaz
SOFTWARE COPYRIGHTED.
MANUFACTURED UNDER ONE OR MORE OF THE FOLLOWING U.S. PATENTS:
LOGICIEL ASSUJETTI AUX DROITS D’AUTEUR.
FABRIQUÉ SOUS UN OU PLUSIEURS DES BREVETS SUIVANTS DES ÉTATS-UNIS :
4,669,200
4,700,495
4,754,556
4,840,285
4,865,366
4,899,464
4,908,959
4,989,347
5,066,050
5,560,120
5,809,828
6,020,698
6,047,486
6,199,300
6,446,357
6,597,144
6,604,298
6,685,241
6,732,447
6,784,673
6,819,255
D314,261
D314,262
D457,991
D457,992
D495,453
= Contacts closed/Contacts fermés