EasyManua.ls Logo

Maytag MGDB800VU0 - Gas Dryer

Maytag MGDB800VU0
16 pages
Print Icon
To Next Page IconTo Next Page
To Next Page IconTo Next Page
To Previous Page IconTo Previous Page
To Previous Page IconTo Previous Page
Loading...
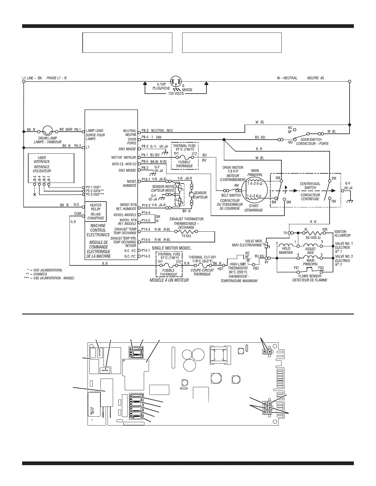
FOR SERVICE TECHNICIAN ONLY - DO NOT REMOVE OR DESTROY POURLETECHNICIEN SEULEMENT - NE PAS ENLEVERNIDÉTRUIRE
NECÈIP51EGAPW10156734A.ONTRAP
o
W10156734A
IMPORTANT : Une décharge d’électricité statique
peut faire subir des dommages aux circuits
électroniques. Pour les détails, voir la page 1.
IMPORTANT: Electrostatic (static electricity)
discharge may cause damage to machine
control electronics. See page 1 for details.
GAS DRYER
WIRING DIAGRAM
S
ÉCHEUSE À GAZ
SCHÉMA DE CÂBLAGE
NON-STEAM MODEL MODÈLE SANS VAPEUR
P9
1
5
1
P8
P14
P2
3
1
1
6
P4
1
1
8
3
P5
P3
1
P13
1
P/N XXXXXX Rev X
Date Code YDDD-xx
XXXX-XXX
MADE IN COO
COM
Red
Rouge
Heater
Relay
Motor Relay
Tan
Black-White
White
Green-Yellow
Brown
Blue Black
Jaune-rouge
Open
Black
Red-White
Rouge-blanc
Noir
Red-White
Rouge-blanc
Ouvert
N.O.
Black
Noir
Relais
chauffage
Relais moteur
Bleu
Noir
Yellow-Red
Tan
Blanc
Vert-jaune
Marron
Noir-blanc
Machine Control Electronics
Module de commande électronique de la machine
Water Valve
Relay
Relais pour
l’électrovanne d’eau