EasyManua.ls Logo

McCulloch MAC CAT 435 - Type 4 Chainsaw Components; Trigger-Throttle; Assy-Oil Pickup

McCulloch MAC CAT 435
12 pages
Print Icon
To Next Page IconTo Next Page
To Next Page IconTo Next Page
To Previous Page IconTo Previous Page
To Previous Page IconTo Previous Page
Loading...
4
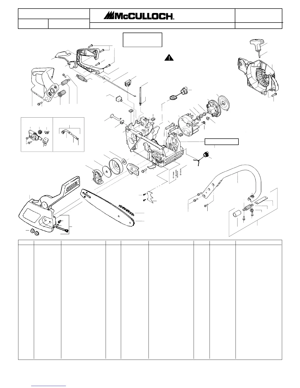
Note: Illustration may differ from actual model due to design changes
PARTS LIST NO.
PAGE NO.
CHAIN SAW MODEL(s)
530087882
MAC CA T
DATE
6/21/04
Replaces
PARTS LIST
87882 -- 4/19/04
335, 435, 440
1. 530047963 Assy. --- Isolator
2. 530047608 Strap---Limiter
3. 530042082 Spring--- Isolator
4. 530015123 Washer
5. 530016018 Screw
6. 530015843 Screw
7. 530036142 Sleeve--- AV Spring
8. 530047583 Handle---F ront
9. 530015940 Screw
10. 530015814 Screw
11. 530044896 Bar --- 14”
12. 538029933 Chain 14”
13. 530014381 Kit--- Assy Spike(incl.14)
14. 530015805 Screw
15. 530038238 Plate---Bar Mounting
16. 530015814 Screw
17. 530029850 Chain Catcher
18. 530016132 Screw
19. 530010846 Assy--- Oil Cap
20. 530071666 Kit--- Oil Check Valve
21. 530023817 Spring--- Starter Dog
22. 530016080 Screw
2 3 . --- --- --- --- --- ---
24. 530015892 Screw
25. 530049335 Housing--- Fan
26. 530069232 Kit--- Rope
27. 530056402 Handle--- Starter
28. 530027531 Spring--- Recoil
29. 530037817 Pulley--- Starter
30. 530015920 Screw
31. 530016134 Nut--- Flywheel
32. 530015127 Washer--- Flywheel
33. 530039209 Assy--- Flywheel
34. 530016133 Bolt--- Bar
35. 530047192 Assy--- Fuel Cap
36. 530015922 Nut--- ”U” ---Type
37. 530023877 Fitting--- fuel line
38. 530069216 Kit--- Fuel line (large)
39. 530047631 Grommet--- Cable
40. 530047602 Cable---Throttle
41. 530047581 Cover --- Rear Handle
42. 530015906 Screw
43. 530015886 Screw
44. 530036098 Lockout--- Throttle
45. 530036097 Trigger ---Throttle
46. 530042082 Spring
47. 530069572 Kit--- Switch
48. 530047582 Handle --- Rear
49. 530015814 Screw
50. 530053274 Assy. Isolator --- lower
51. 530071385 Kit--- Isolator (Upper)
52. 530015875 Screw
53. 530047605 Knob--- Choke
54. 530049005 Grommet--- Knob
55. 530056596 Assy--- Chassis
56. 530071259 Kit--- Oil Pump
(Incls. 57,58,60)
57. 530037820 Gear---Worm Spring
58. 530049477 Elbow---Oil Pickup
59. 530016064 Screw
60. 530019206 Seal Block
61. 530047663 Assy--- Oil Pickup
(Incl. 62---64)
62. 530038373 Pick--- up Oiler
63. 530037821 Filter--- Oil
64. 530030189 Plug--- Oil Filter
65. 530015907 Washer--- Thrust
66. 530047061 Assy.--- Clutch Drum
w/bearing
67. 530015611 Washer--- Clutch
68. 530014949 Assy. Clutch
69. 530054739 Assy--- Chain Brake
70. 530015917 Nut--- Bar Mounting
71. 530015826 Pin--- Retainer
72. 530038593 Retainer
73. 530069611 Kit--- Bar Adjust
(incl. 71 & 72)
All repairs, adjustments and
maintenance not described in
the Operator’s Manual must
be performed by qualified
service personnel.
WARNING
Ref. Part No. Description Ref. Part No. Description Ref. Part No. Description
44
45
41
40
46
48
49
53
54
39
43
50
42
47
38
70
68
67
66
65
15
16
55
36
35
34
33
32
4
19
18
8
2
3
7
10
9
51
52
17
56
61
59
69
57
11
12
5
63
62
58
64
37
1
60
= NEW PART NUMBER FOR THIS IPLn
=
REFER TO THE SERVICE REFERENCE INDICATED FOR MORE INFORMATION. (LOCATED AT END OF IPL)
K
6
14
13
73
71
72
22
29
28
25
27
26
24
Kit--Oil Check Valve
21
20
30
31
TYPE 4

Related product manuals