EasyManua.ls Logo

McCulloch MFT55 - Page 22

McCulloch MFT55
24 pages
Print Icon
To Next Page IconTo Next Page
To Next Page IconTo Next Page
To Previous Page IconTo Previous Page
To Previous Page IconTo Previous Page
Loading...
22
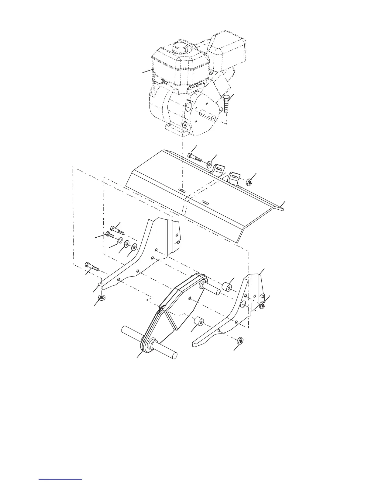
FRONT TINE TILLER – MODEL NUMBER MFT55 (MFG. ID. NO. 96081000602)
TRANSMISSION
KEY PART
NO. NO. DESCRIPTION
16 19091412 Washer 9/32 x 7/8 x 12 Gauge
17 19092016 Washer 9/32 x 1-1/4 x 16 Gauge
18 10040400 Washer, Lock 1/4
19 74610412 Bolt, Hex Head, Gr. 5 1/4-28 x 3/4
20 - - - Engine, Briggs & Stratton, Model
Number 126302 (Order parts from
engine manufacturer)
2
3
5
6
8
11
16
17
11
10
7
19
14
10
12
18
10
14
1
20
KEY PART
NO. NO. DESCRIPTION
1 74760524 Bolt, Hex Head, Gr. 25/16-18 x 1-1/2
2 74780652 Bolt, Hex Head 3/8-16 x 3-1/4
3 19131311 Washer 13/32 x 13/16 x 11
5 73900600 Nut, Hex, Flangelock 3/8-16
6 9057R421 Shield, Tine
7 188195 Bracket, Engine, R.H.
8 165834 Bracket, Engine, L.H.
10 73970500 Nut, Hex, Flangelock
11 187912 Bolt, Shoulder
12 151222 Transmission
14 9173R Spacer, Split
NOTE: All component dimensions are given in U.S. inches.
1 inch = 25.4 mm

Related product manuals