EasyManua.ls Logo

McCulloch POWER MAC 6 - General Components

McCulloch POWER MAC 6
15 pages
Print Icon
To Next Page IconTo Next Page
To Next Page IconTo Next Page
To Previous Page IconTo Previous Page
To Previous Page IconTo Previous Page
Loading...
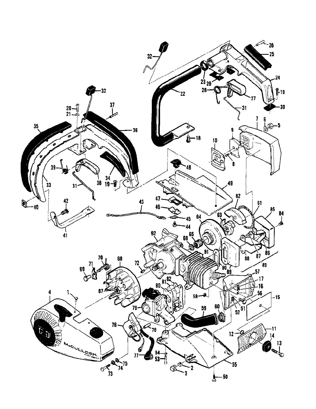
A10-600085 POWER MAC 6 03/71 to 04/71 IPL 84237-R1 Page 9 of 15
General
www.ktoutdoor.com
K&T Saw Shop 606-678-9623 or 606-561-4983

Related product manuals