EasyManua.ls Logo

McHammer Ghost 4.0 - Bedienungselemente und Anschlüsse; Installation

McHammer Ghost 4.0
Print Icon
To Next Page IconTo Next Page
To Next Page IconTo Next Page
To Previous Page IconTo Previous Page
To Previous Page IconTo Previous Page
Loading...
751-016
E.T.T. Electronic Toys Trading GmbH Kreuzstraße 65/66 38118 Braunschweig
Nachdruck oder Vervielfältigung nur mit ausdrücklicher Genehmigung
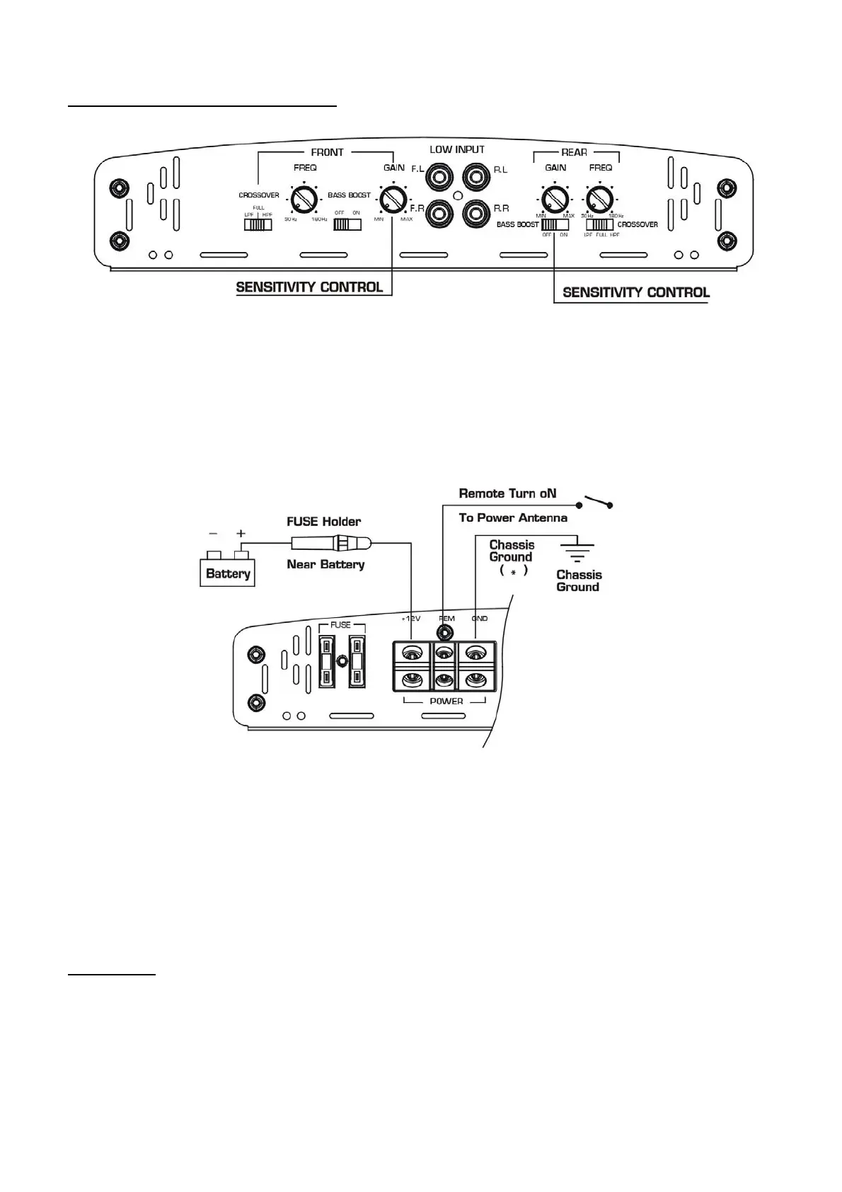
Bedienungselemente und Anschlüsse:
1. CROSSOVER (F/R): Umschalter, der den Hochpass (HPF)-, den Bandbreiten (FULL)- oder den
Tiefpassfilter (LPF) aktiviert.
2. FREQ (F/R): Drehschalter zur Einstellung der Grenzfrequenz des jeweiligen Filters.
3. BASS BOOST ON/OFF (F/R): Schalter zur Erhöhung des Schalldruckpegels der Tiefen um 18 dB.
4. GAIN (F/R): Drehschalter zur Einstellung der Eingangsempfindlichkeit.
5. LOW INPUT F.L./F.R.: Cinchanschluss für den Signaleingang vom Autoradio.
6. LOW INPUT R.L./R.R.: Cinchanschluss für den Signaleingang vom Autoradio.
1. BATTERY: Autobatterie (12 V).
2. FUSEHOLDER: Enthält die Feinsicherung zwischen dem (+12V)-Terminal des Verstärkers und dem
Pluspol der Autobatterie.
3. FUSE: Flachsicherungen (2x 20 A).
4. POWER +12V: Anschluss für das Stromkabel zum Pluspol der Autobatterie.
5. POWER REM: Anschluss für das Kabel vom Autoradio (Ein-/Aus-Schalter).
6. POWER GND: Erdung. Das Kabel wird mit dem Metall des Fahrgestells verbunden.
7. PROTECTION POWER: Leuchtiode als Betriebsanzeige oder zeigt im Falle eines Kurzschlusses an Î
Sicherung (FUSE) auswechseln.
Installation:
Schließen Sie die Lautsprecher an den Ausgangsterminal SPEAKER OUT an.
Schließen Sie den Verstärker am Terminal POWER REM mit dem Autoradio.
Schließen Sie den Verstärker am Terminal POWER GND mit der Autokarosserie.
Schließen Sie den Verstärker am Terminal POWER +12V mit der Autobatterie.
Es wird empfohlen, die Stromkabel und die Audiokabel nicht auf der selben Seite des Fahrzeugs zu
verlegen.

Related product manuals