EasyManua.ls Logo

McHammer Ghost 4.0 - Installation

McHammer Ghost 4.0
Print Icon
To Next Page IconTo Next Page
To Next Page IconTo Next Page
To Previous Page IconTo Previous Page
To Previous Page IconTo Previous Page
Loading...
751-016
E.T.T. Electronic Toys Trading GmbH Kreuzstraße 65/66 38118 Braunschweig
Nachdruck oder Vervielfältigung nur mit ausdrücklicher Genehmigung
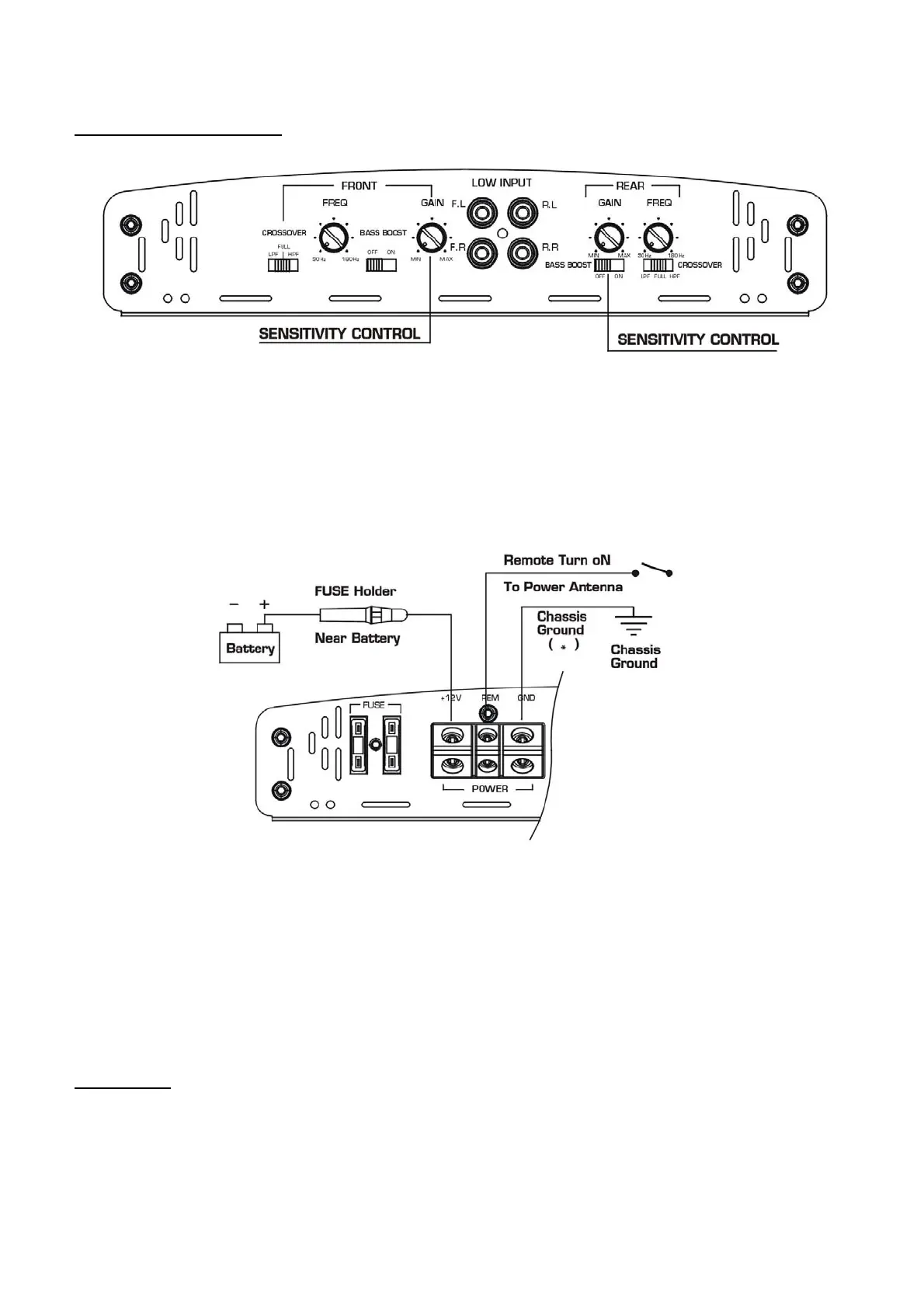
Actuators and Connectors:
1. CROSSOVER (F/R): Toggle for activating the high-pass (HPF)-, the band-pass (FULL)- or the low-pass
filter (LPF).
2. FREQ (F/R): Rotary switch for adjusting the threshold frequency of the chosen filter.
3. BASS BOOST ON/OFF (F/R): Switch for increasing the sound pressure level about 18 dB.
4. GAIN (F/R): Rotary switch for adjusting of the input sensitivity.
5. LOW INPUT F.L./F.R.: Cinch connectors for the signal input from the car radio.
6. LOW INPUT R.L./R.R.: Cinch connectors for the signal input from the car radio.
1. BATTERY: Car battery (12 V).
2. FUSEHOLDER: Covered the micro-fuse between the (+12V)-terminal of the amplifier and the positive
pole of the car battery.
3. FUSE: Bladefuses (2x 20 A).
4. POWER +12V: Connector for the cable to the positive pole of the car battery.
5. POWER REM: Connector for the cable from the car radio (On-/Off-switch).
6. POWER GND: Grounding. The cable must be connected to the chassis of the car.
7. PROTECTION/POWER: LED as operation display or shows in case of a short circuit Î Exchange the fuse
(FUSE).
Installation:
Connect the speakers to the output terminal SPEAKER OUT.
Connect the car radio to the terminal POWER REM.
Connect the terminal POWER GND to the car chassis.
Connect the car battery to the terminal POWER +12V.
It is recommended to install the power supply cables and the audio cables on different sides of the car.

Related product manuals