EasyManua.ls Logo

McQuay ACZ 020A - Wiring Diagram

McQuay ACZ 020A
48 pages
To Next Page IconTo Next Page
To Next Page IconTo Next Page
To Previous Page IconTo Previous Page
To Previous Page IconTo Previous Page
Loading...
IOMM ACZ1 ACZ 010A through 039A
21
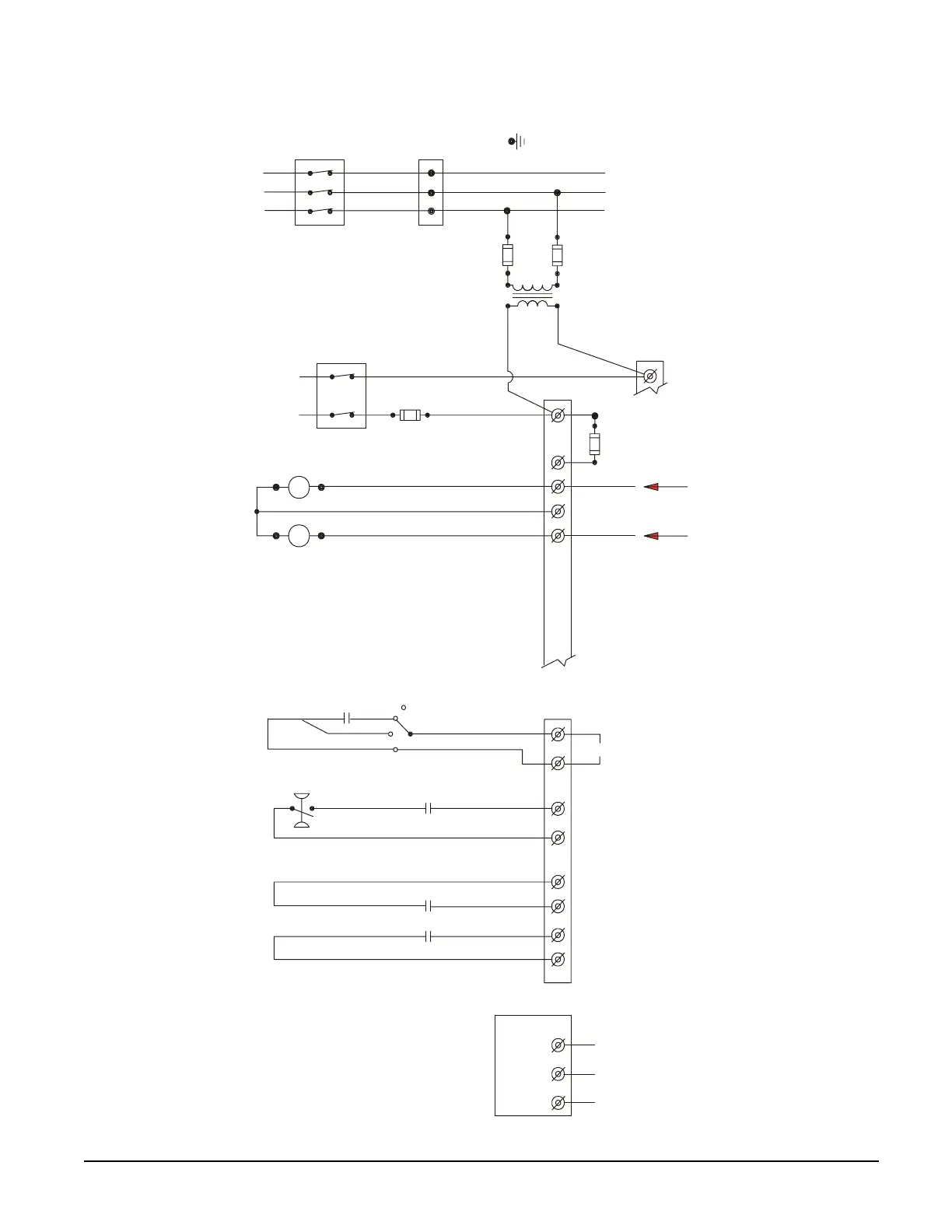
Figure 7, ACZ 010A through 039A, Typical Field Wiring Diagram
UNIT MAIN
TERMINAL BLOCK
DISCONNECT
(BY OTHERS OR
FACTORY OPTION)
3 PHASE
POWER
SUPPLY
GND LUG
TO COMPRESSOR(S)
AND FAN MOTORS
10A
FUSE
N
TB1
1
(BY OTHERS)
DISCONNECT
(BY OTHERS)
13
OPTIONAL
SEPARATE
120VAC
CONTROL POWER
TB2
AUTO
OFF
MANUAL
ON
TIME
CLOCK
REMOTE STOP
(BY OTHERS)
2
CONTROL
CIRCUIT
FUSE
120 VAC
TB1-20
25
843
35
IF REMOTE STOP CONTROL
IS USED, REMOVE LEAD 843
26
36
FROM TERM 25 TO 35.
FUSED CONTROL
CIRCUIT TRANSFORMER
(BY OTHERS)
EVAP FLOW SWITCH
--MANDATORY--
1
2
3
*
J11
COMMUNICATION
PORT
Rx-/Tx-
Rx+/Tx+
GND
J5-ID8
J5-ID7
SV1
NOR. OPEN PUMP OR FAN MOTOR AUX.
CONTACTS (OPTIONAL)
STAGE 1 NOR. OPEN CONTACTS
STAGE 2 NOR. OPEN CONTACTS
16
14
SV5
HOT GAS BYPASS SOLENOID
120 VAC 1.0 AMPS MAX
120 VAC 1.0 AMPS MAX
LIQUID LINE SOLENOID
120 VAC
120 VAC
23
28
OR FAN INTERLOCK

Related product manuals