EasyManua.ls Logo

McQuay FCVC - Page 27

McQuay FCVC
82 pages
Print Icon
To Next Page IconTo Next Page
To Next Page IconTo Next Page
To Previous Page IconTo Previous Page
To Previous Page IconTo Previous Page
Loading...
McQuay IM 980-1 27
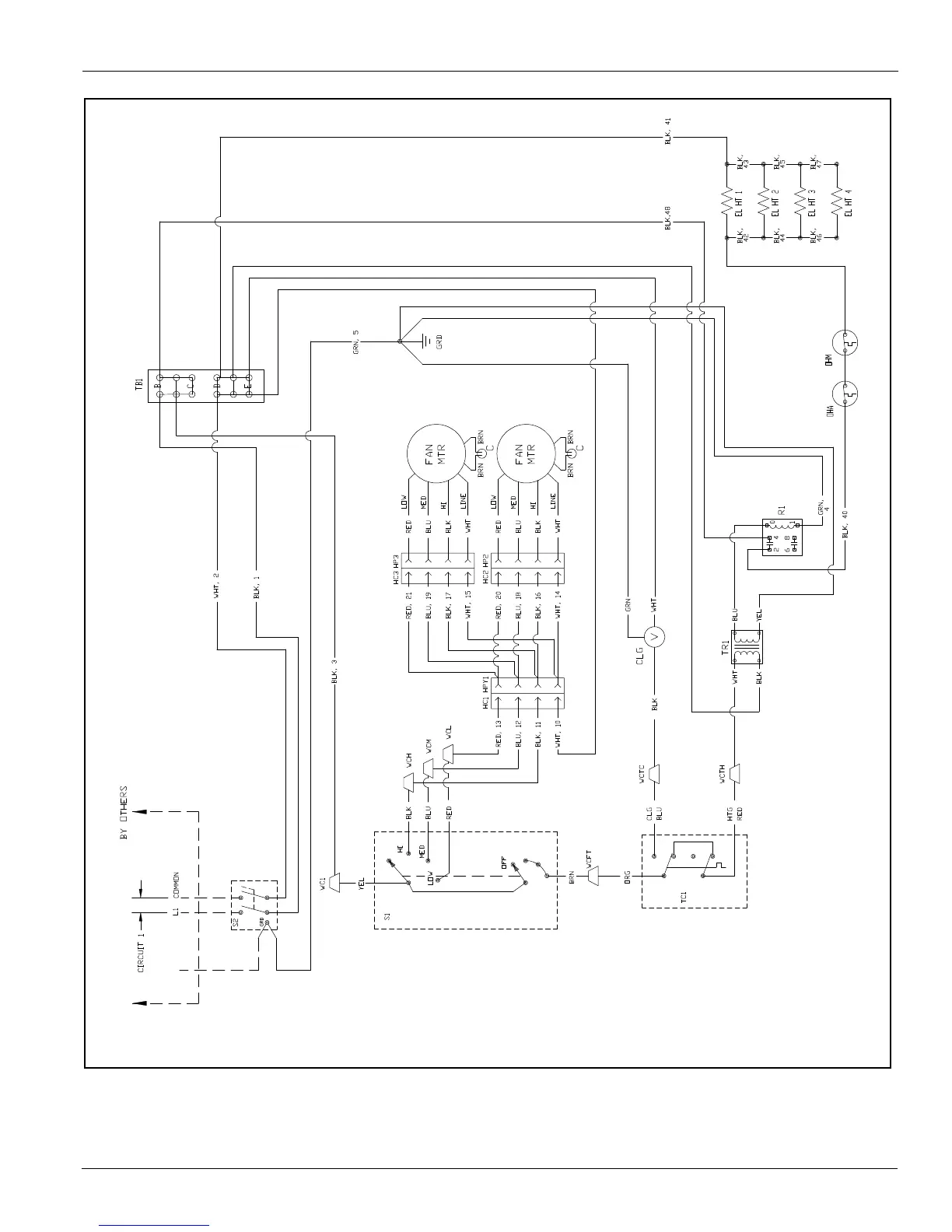
Wiring Diagrams
Figure 36: Fan Coil Wiring Diagram - Typical with unit-mounted three-speed fan switch
Note: All field installed conductors should have an insulation rating of 300 volts or greater.

Table of Contents

Related product manuals