EasyManua.ls Logo

McQuay M4MC100D - Page 100

McQuay M4MC100D
177 pages
Print Icon
To Next Page IconTo Next Page
To Next Page IconTo Next Page
To Previous Page IconTo Previous Page
To Previous Page IconTo Previous Page
Loading...
99
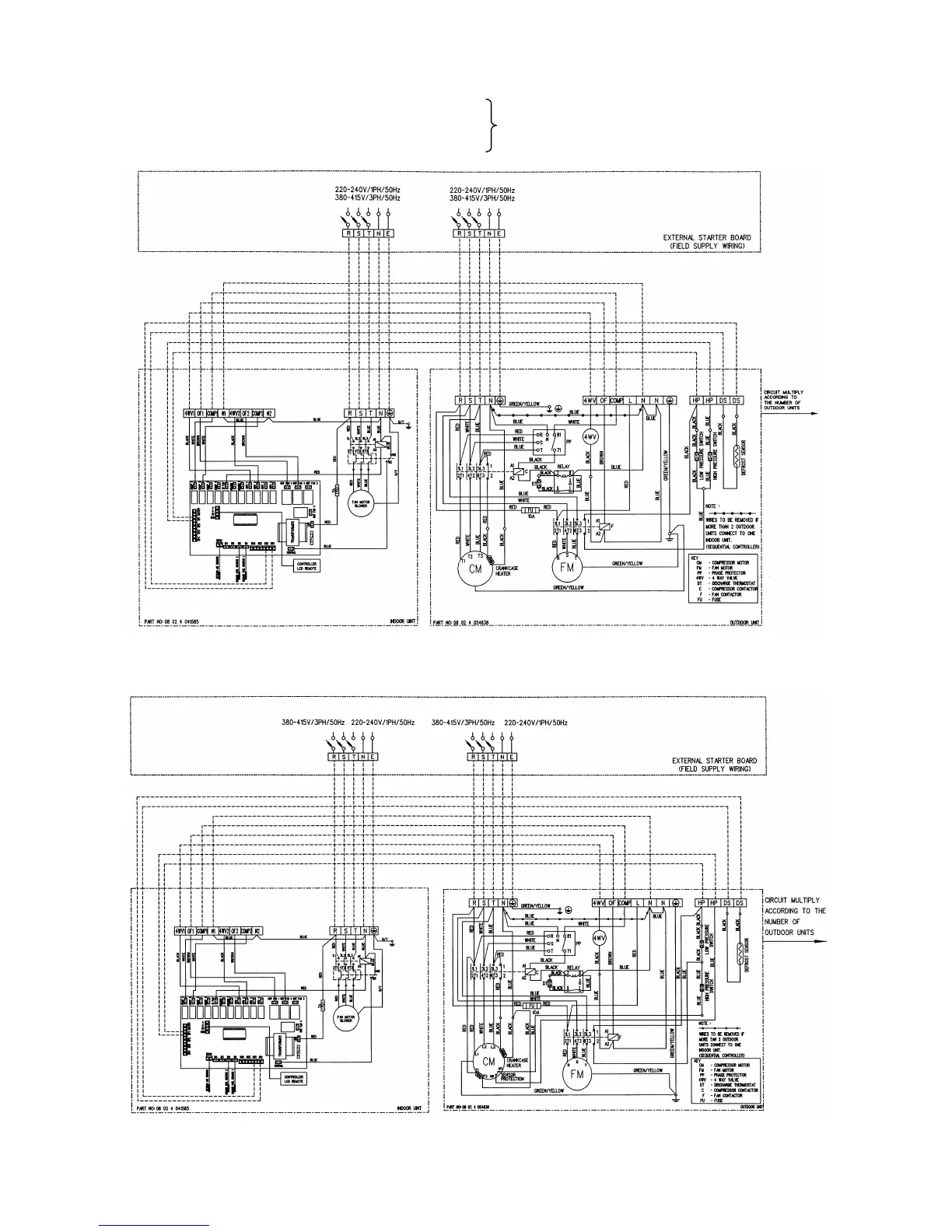
MODEL : MDB 150DR2 vs. MMC 075DR x 2
MDB 200DR2 vs. MMC 100DR x 2
MDB 250DR2 vs. MMC 125DR x 2
MODEL : MDB 300DR2 vs. MMC 150DR x 2 (WITH SEQUENTIAL CONTROLLER)
WITH SEQUENTIAL CONTROLLER

Related product manuals