EasyManua.ls Logo

McQuay M4MC100D - Page 99

McQuay M4MC100D
177 pages
Print Icon
To Next Page IconTo Next Page
To Next Page IconTo Next Page
To Previous Page IconTo Previous Page
To Previous Page IconTo Previous Page
Loading...
98
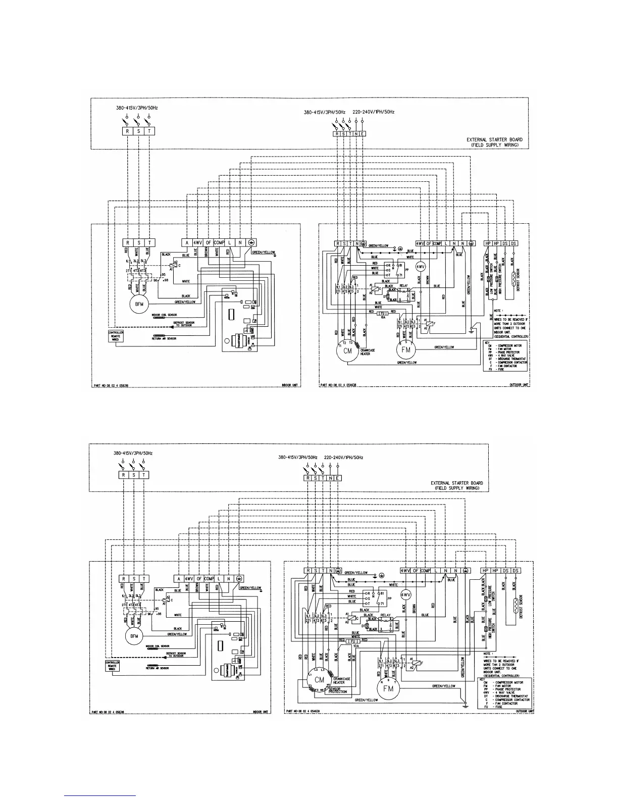
MODEL : MDB 125DR vs. MMC 125DR (WITH U1-125 SLM3 HANDSET)
MODEL : MDB 150DR vs. MMC 150DR (WITH U1-125 SLM3 HANDSET)

Related product manuals