EasyManua.ls Logo

McQuay M4MC150D - Wiring Diagrams (Cooling)

McQuay M4MC150D
177 pages
Print Icon
To Next Page IconTo Next Page
To Next Page IconTo Next Page
To Previous Page IconTo Previous Page
To Previous Page IconTo Previous Page
Loading...
93
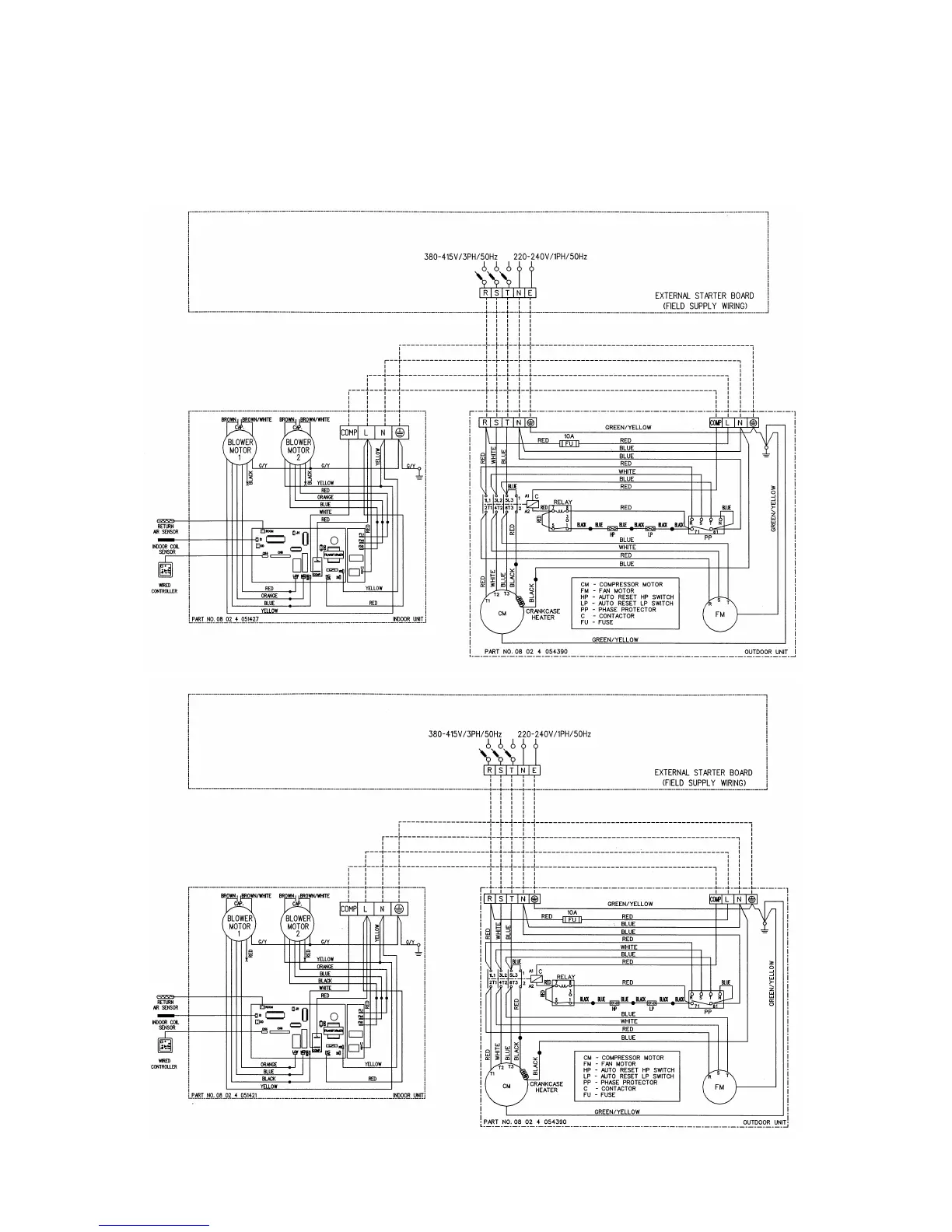
Wiring Diagrams (Cooling)
COOLING UNIT
MODEL : MDB 075D vs MMC 075D (WITH U1.4 MAINBOARD AND SLM3 HANDSET)
MODEL : MDB 100D vs MMC 100D (WITH U1.4 MAINBOARD AND SLM3 HANDSET)

Related product manuals