EasyManua.ls Logo

McQuay M5WM25JR - Page 10

McQuay M5WM25JR
90 pages
To Next Page IconTo Next Page
To Next Page IconTo Next Page
To Previous Page IconTo Previous Page
To Previous Page IconTo Previous Page
Loading...
8
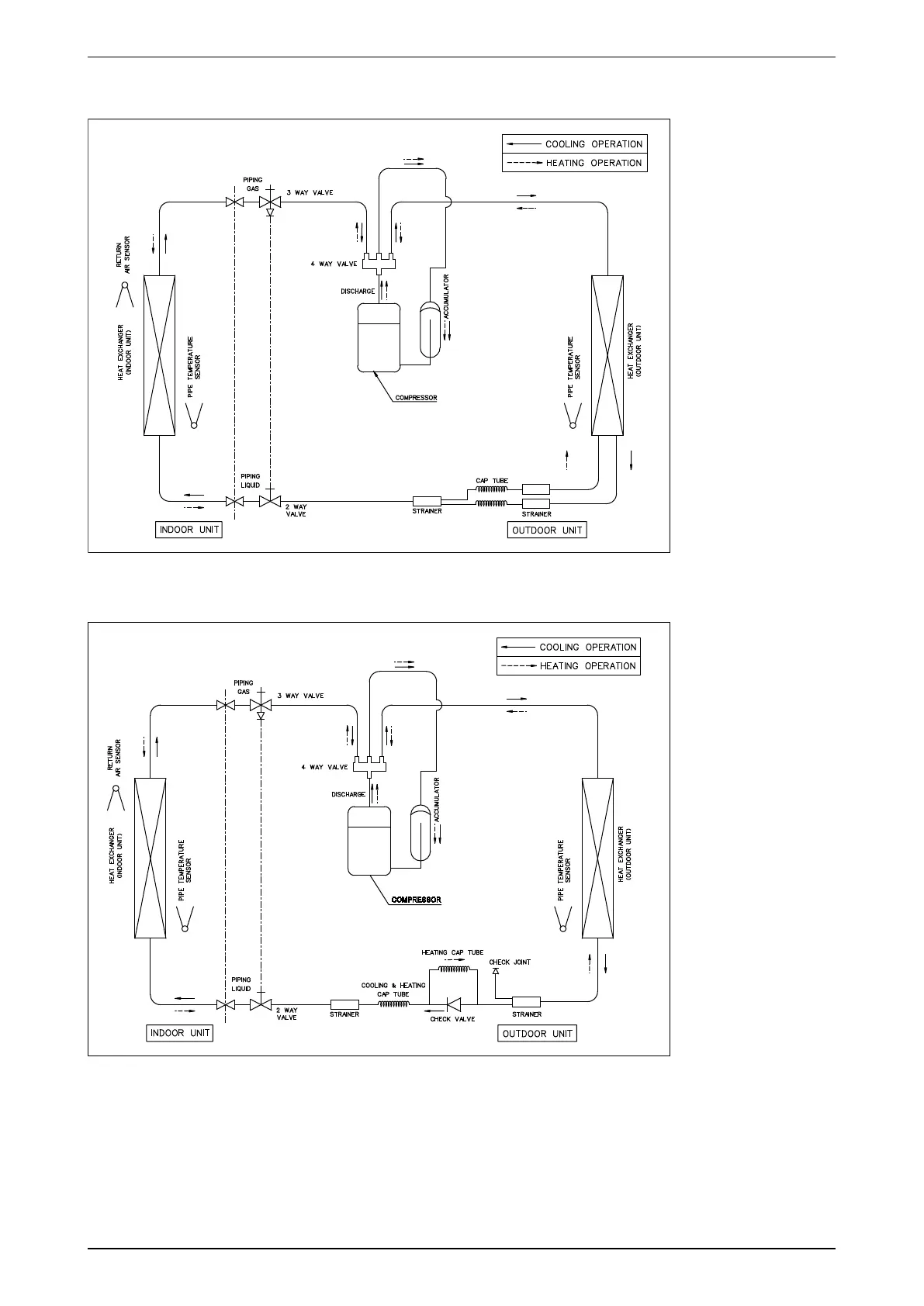
MWM-J_(ii) Application Information
Model: MWM20JR - MLC20CR
Model: MWM15JR - MLC15CR
70034 095236

Related product manuals