EasyManua.ls Logo

McQuay MCM 020 D

McQuay MCM 020 D
94 pages
To Next Page IconTo Next Page
To Next Page IconTo Next Page
To Previous Page IconTo Previous Page
To Previous Page IconTo Previous Page
Loading...
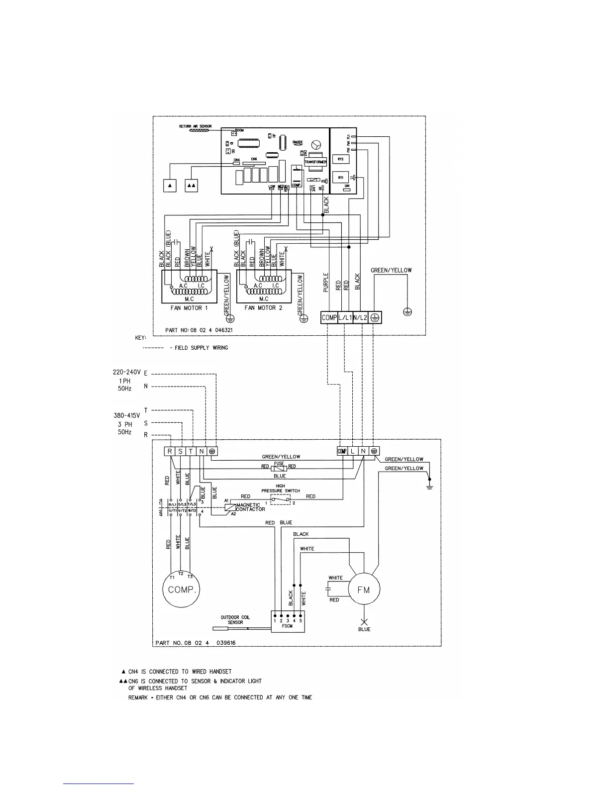
INDOOR UNIT
MODEL : MCM061/ 062C
OUTDOOR UNIT
MODEL : M4LC060C
Page 46

Related product manuals