EasyManua.ls Logo

McQuay MCM 020 D - Page 52

McQuay MCM 020 D
94 pages
To Next Page IconTo Next Page
To Next Page IconTo Next Page
To Previous Page IconTo Previous Page
To Previous Page IconTo Previous Page
Loading...
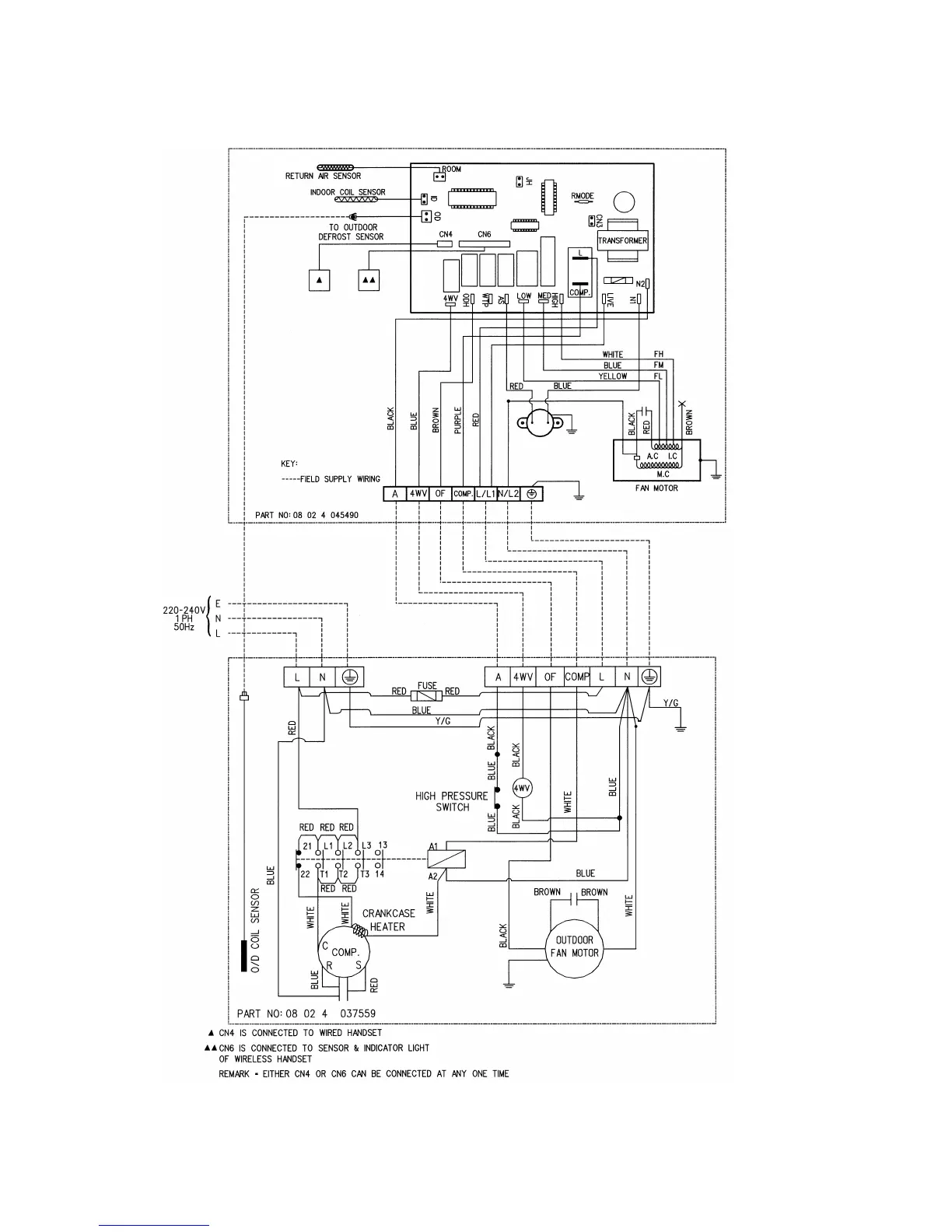
INDOOR UNIT
MODEL : MCM040DR
OUTDOOR UNIT
MODEL: MLC035CR
Page 51

Related product manuals