EasyManua.ls Logo

McQuay MCM 020 D

McQuay MCM 020 D
94 pages
To Next Page IconTo Next Page
To Next Page IconTo Next Page
To Previous Page IconTo Previous Page
To Previous Page IconTo Previous Page
Loading...
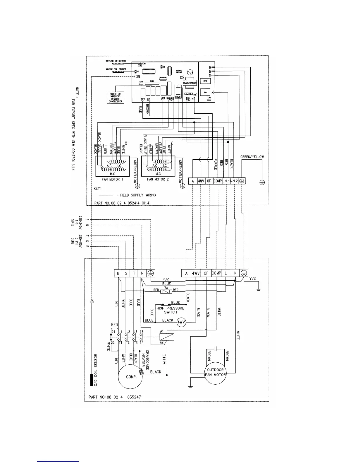
INDOOR UNIT
MODEL : MCM061/ 062CR
OUTDOOR UNIT
MODEL: MLC/ M4LC060CR
Page 54

Related product manuals