EasyManua.ls Logo

McQuay MWM 007F - Page 61

McQuay MWM 007F
108 pages
To Next Page IconTo Next Page
To Next Page IconTo Next Page
To Previous Page IconTo Previous Page
To Previous Page IconTo Previous Page
Loading...
59
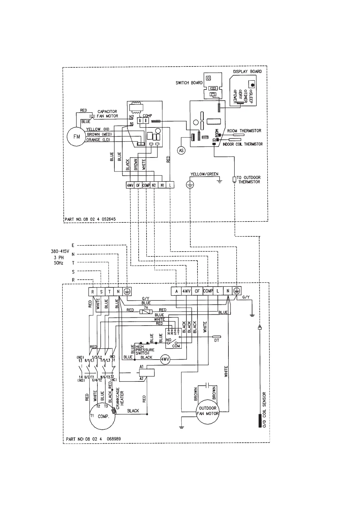
Indoor Unit
Model : MWM 030FR (U1.4 1.C.)
Outdoor Unit
Model : MLC / M4LC 030CR

Related product manuals